Запчасти Bobcat BCA12 CONSOLE ASSEMBLY (For Pressurized Water Installation) (Optional) CONSOLE

Схема запчастей Bobcat BCA12 - CONSOLE ASSEMBLY (For Pressurized Water Installation) (Optional) CONSOLE
FIT
1:1
100%

Артикул

Название

Примечание

Количество

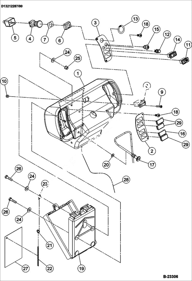
1

IR59295683

Panel instrument

2

IR59184069

Switch Panel L.H.

3

IR59184127

Panel emergency

4

STOP SWITCH NLA - Emergency Stop - Order IR43910579 (switch) & IR43910587 (washer) - Was IR59111450 - A

5

IR59108605

Dust Boot bottom

6

IR59108100

Dust Boot top

7

IR59109116

WASHER

8

IR59165001

HOURMETER

8

IR13305198

HOURMETER

9

IR59229492

BOLT

10

IR59137448

LOCKNUT

11

IR13305420

SWITCH, PARK BRAKE parking brake

12

IR58771668

SWITCH push button

13

IR59239897

Decal stop

14

IR59214742

Switch brake test

15

IR59214726

Indicator warning

16

IR13229257

Switch water

17

IR13186432

Choke Cable

18

IR13198015

BOLT

19

IR59185074

Manual Case

20

IR96714308

WASHER Was IR96741046 - A

21

IR58880303

Split Ring

22

IR58874389

CHAIN

23

IR58874397

RETAINING RING

24

IR95922324

WASHER

25

IR96704598

LOCKNUT

26

IR96714258

SCREW Was IR96701461 - A

27

IR59252833

Manual safety label

28

IR13179924

Harness console wire

28

IR13305222

HARNESS console wire

29

IR58835398

SWITCH blank plug

Выбрано товаров: 31