Качественные детали и логистика
Оригинальные и аналоговые запчасти с доставкой по России, Казахстану и Беларуси
©2022 PartSell ООО "Система" ИНН 2463123282 ОГРН 1212400004838
Центральный офис: г. Красноярск, Академика Киренского, д.87, пом.4
Телефон: 8 (800) 777-65-74 Email: zakaz@partsell.ru
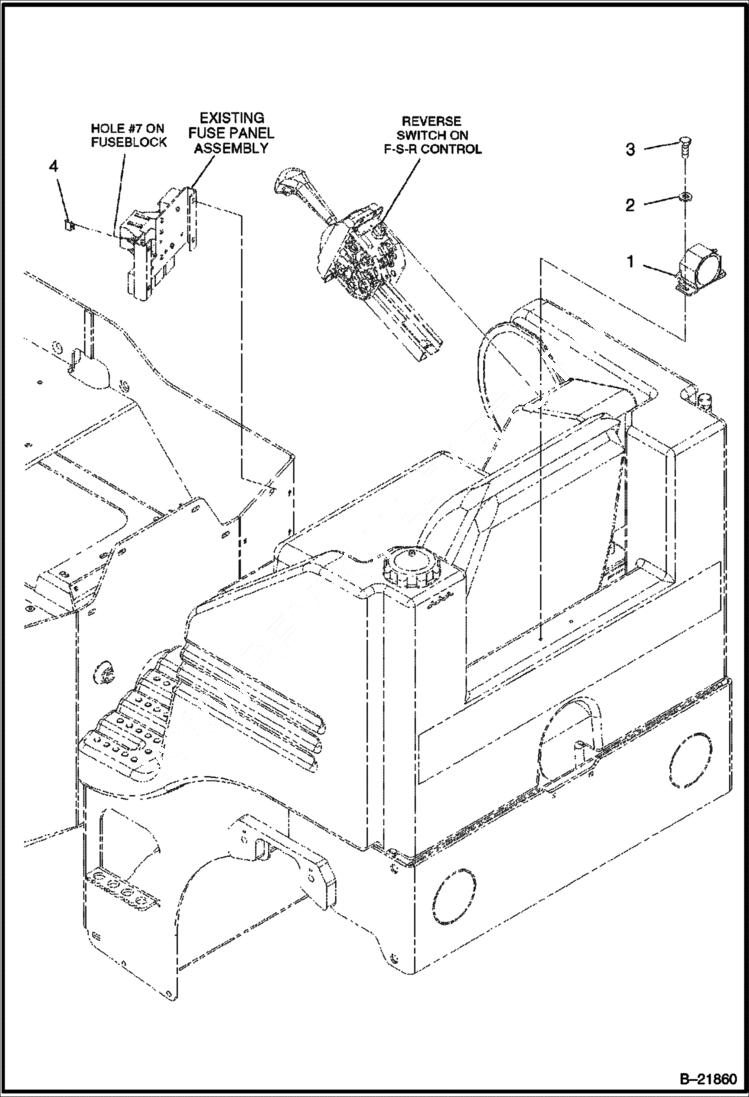
BACKUP ALARM INSTALLATION (Optional)
№
Артикул
Название
Примечание
Количество
1
IR59269415
Backup Alarm
2
IR96741053
WASHER
3
IR96702394
BOLT
4
IR59325712
Fuse 10 amp
Выбрано товаров: 0