Качественные детали и логистика
Оригинальные и аналоговые запчасти с доставкой по России, Казахстану и Беларуси
©2022 PartSell ООО "Система" ИНН 2463123282 ОГРН 1212400004838
Центральный офис: г. Красноярск, Академика Киренского, д.87, пом.4
Телефон: 8 (800) 777-65-74 Email: zakaz@partsell.ru
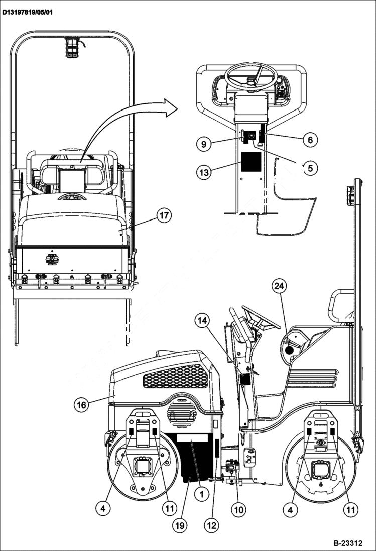
DECAL INSTALLATION
№
Артикул
Название
Примечание
Количество
1
IR13268057
Decal
4
IR59246603
Decal Tie Down
5
IR59006205
Decal Ignition Switch
6
IR59098079
Decal Throttle
9
IR59246637
Decal Water-Variable
10
IR59605915
Decal Grease
11
IR59246611
Decal Lift Point
12
IR58965542
Decal Crush Area
13
IR54475157
Decal Rollover Hazard Warning
14
IR59132118
Decal Operation Warning
16
IR13268032
Decal signature - L.H.
IR13268024
Decal signature - R.H.
17
IR13258546
Decal signature
19
IR59243519
Decal Stripe
24
IR13395900
DECAL global engineering
Выбрано товаров: 0