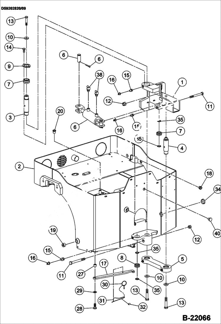
Запчасти Bobcat BCA14 MAIN FRAME MAIN FRAME

Схема запчастей Bobcat BCA14 - MAIN FRAME MAIN FRAME
FIT
1:1
100%

Артикул

Название

Примечание

Количество

1

IR13279963

REAR FRAME

2

IR13252010

FRAME front - Was IR59276303 - D

2

IR13305099

GASKET tank cover - Was IR59918482 - A

2

IR59272138

CLEAN OUT LID

2

IR96721196

BOLT

3

IR59265975

PIN

4

IR59265991

PIN

5

Swivel Link See Illustration SWIVEL LINK ASSEMBLY/ B22067 - assembly

6

IR59269555

Cylinder steering

6

IR54505821

Nut

6

IR54505862

Retaining Ring

6

IR13444005

PIN, CLEVIS 3.41'' - Was IR54505870 - D

6

IR13444013

PIN clevis - 2.56''

6

IR54505854

Cotter Pin

6

IR54505888

Seal Kit

7

IR50268127

BEARING

8

IR50275445

Bearing

9

IR59180646

LOCKPLATE

10

IR59180992

CAP

11

IR96713474

BOLT Was IR96704739 - A

11

IR96713482

BOLT Was IR96720594 - A

12

IR96712807

LOCKNUT Was IR96704614 - A

13

IR96705066

BOLT

14

IR96702816

BOLT

15

IR95201547

GREASE FITTING

16

IR50270248

Cap

17

IR59214437

LOCKBAR

18

IR59121954

Sight Plug

19

IR95263190

Pipe Plug

20

IR59093351

FILTER filtered

27

IR59214585

BUSHING

28

IR96702287

BOLT

29

IR96714308

WASHER Was IR96741046 - A

30

IR59214270

Hitch Pin

31

IR59436741

CABLE

32

IR59214775

SLEEVE

34

IR59328195

PLUG

35

IR59258079

SPACER

38

IR95363339

Elbow 45 degree

40

IR59992677

PLASTIC PLUG

Выбрано товаров: 40