Запчасти Bobcat BCA14 FRONT DRUM ASSEMBLY DRUM

Схема запчастей Bobcat BCA14 - FRONT DRUM ASSEMBLY DRUM
FIT
1:1
100%

Артикул

Название

Примечание

Количество

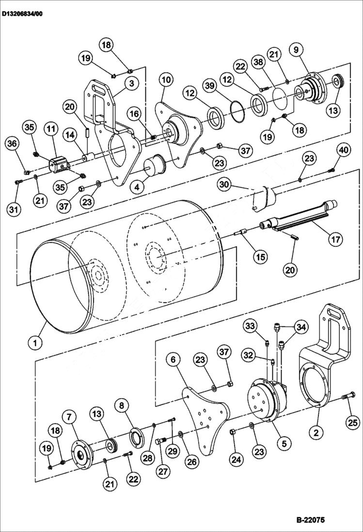
1

IR13215876

DRUM front

2

IR59271502

DRUM MOUNTING leg - drive side

3

IR59271510

Drum Leg vibration

4

IR59211367

ISOLATOR

5

IR13402276

MOTOR drive - Was IR13227152 - A

5

IR54505383

SEAL KIT

5

IR13493952

KIT brake release

5

IR13493960

KIT cover seal

6

IR59211946

DRIVE PLATE

7

IR59183285

BEARING HSG eccentric - propulsion side

8

IR59275867

Cover Plate eccentric - bearing

9

IR59258483

BEARING HSG eccentric - vibratioin side

10

IR59266270

MOUNTING PLATE vibration

11

IR59173526

Motor vibration

11

IR54507231

SEAL KIT

12

IR59211615

Bearing carrier

13

IR59211623

Bearing eccentric

14

IR59173534

Coupling eccentric shaft

15

IR59173518

SPLINE SHAFT

16

IR59211458

Spring eccentric coupling

17

IR59211680

SHAFT eccentric

18

IR95201547

GREASE FITTING

19

IR50270248

Cap

20

IR96737135

SPRING PIN slotted

21

IR96712898

WASHER Was IR96741038 - A

22

IR96705587

BOLT

23

IR96738596

washer

24

IR96702857

Nut

25

IR96701966

BOLT

26

IR96738612

washer

27

IR96703129

BOLT

28

IR96741053

WASHER

29

IR96714258

SCREW Was IR96701461 - A

30

IR54671524

ISOLATOR

31

IR96708052

BOLT

32

IR95365078

ADAPTER

33

IR95990792

ADAPTER

34

IR59922534

ADAPTER

35

IR95356903

Adapter

36

IR95341665

Adapter

37

IR96704291

Nut

38

IR95026498

O-RING

39

IR59259838

SPACER

40

IR96702311

BOLT

Выбрано товаров: 44