Качественные детали и логистика
Оригинальные и аналоговые запчасти с доставкой по России, Казахстану и Беларуси
©2022 PartSell ООО "Система" ИНН 2463123282 ОГРН 1212400004838
Центральный офис: г. Красноярск, Академика Киренского, д.87, пом.4
Телефон: 8 (800) 777-65-74 Email: zakaz@partsell.ru
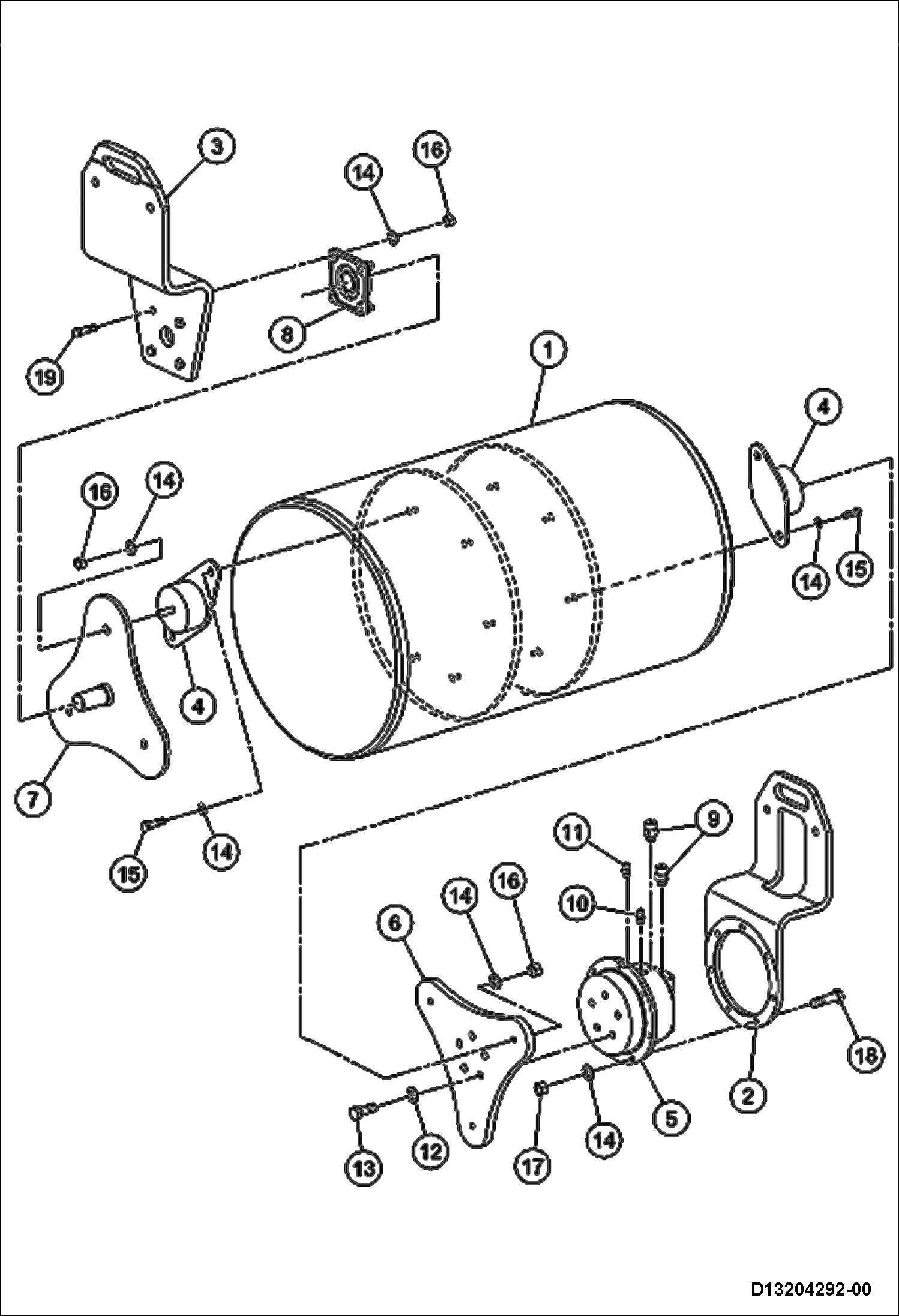
REAR DRUM
№
Артикул
Название
Примечание
Количество
1
IR13214739
DRUM rear
2
IR59271502
DRUM MOUNTING leg - drive side
3
IR59273151
DRUM LEG carrier side
4
IR54671524
ISOLATOR
5
IR13402276
MOTOR drive
IR54505383
SEAL KIT
IR13493952
KIT brake release
IR13493960
KIT cover seal
6
IR59211946
DRIVE PLATE
7
IR13216668
Carrier Plate
8
IR54524293
Bearing carrier
9
IR59922534
ADAPTER straight
10
IR95365078
ADAPTER
11
IR95990792
12
IR96738612
washer
13
IR96703129
BOLT
14
IR96738596
15
IR96702311
16
IR96704291
Nut
17
IR96702857
18
IR96701966
19
IR96702667
Выбрано товаров: 0