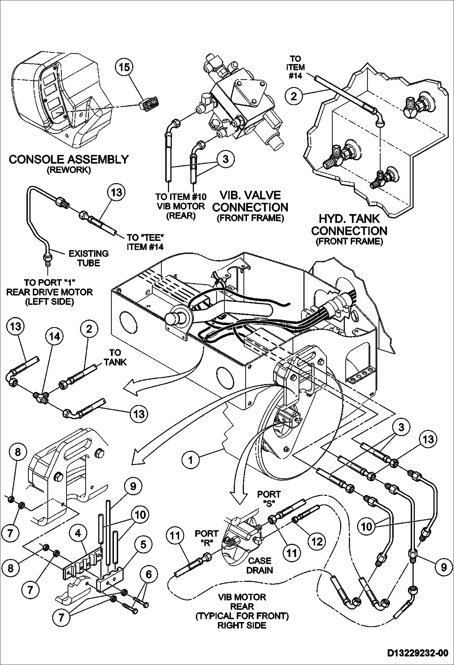
Запчасти Bobcat BCA14 DUAL DRUM VIBRATION OPTIONAL DRUM

Схема запчастей Bobcat BCA14 - DUAL DRUM VIBRATION OPTIONAL DRUM
FIT
1:1
100%

Артикул

Название

Примечание

Количество

1

REAR DRUM ASSEMBLY See Illustration FRONT DRUM ASSEMBLY/ B22075 - NOTE: For this option, the rear drum assembly is the same as the front drum assembly

2

IR54468574

HOSE 58.0''

3

IR59219428

HOSE 70.0''

4

IR59228239

Tube Clamp

5

IR59228247

Tube Clamp

6

IR96706809

BOLT

7

IR96741053

WASHER

8

IR96704598

LOCKNUT

9

IR59227710

TUBELINE

10

IR59227694

TUBELINE

11

IR59219436

Hose 15.0''

12

IR59219493

Hose 18.0''

13

IR54462148

HOSE 25.0''

14

IR95489043

TEE

15

IR59214718

SWITCH drum vibration

Выбрано товаров: 15