Качественные детали и логистика
Оригинальные и аналоговые запчасти с доставкой по России, Казахстану и Беларуси
©2022 PartSell ООО "Система" ИНН 2463123282 ОГРН 1212400004838
Центральный офис: г. Красноярск, Академика Киренского, д.87, пом.4
Телефон: 8 (800) 777-65-74 Email: zakaz@partsell.ru
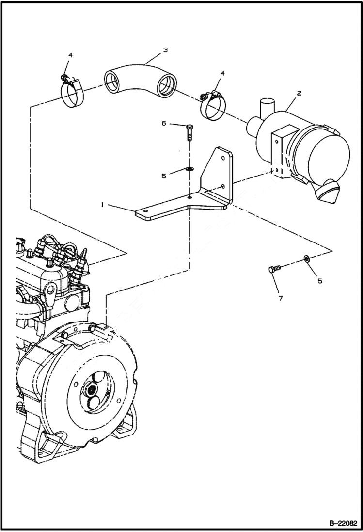
AIR CLEANER
№
Артикул
Название
Примечание
Количество
1
IR59213702
BRACKET air cleaner
2
IR59213942
IR43919166
ELEMENT, PRIMARY AIR Was IR54477187 - A
IR54477195
ELEMENT safety - air cleaner filter
IR50266907
INDICATOR service
IR59497065
VACUATOR VALVE
IR54490859
COVER
3
IR59184895
ELBOW
4
IR54680038
CLAMP
5
IR96712898
WASHER Was IR96741038 - A
6
IR96705587
BOLT
7
IR96702824
Выбрано товаров: 0