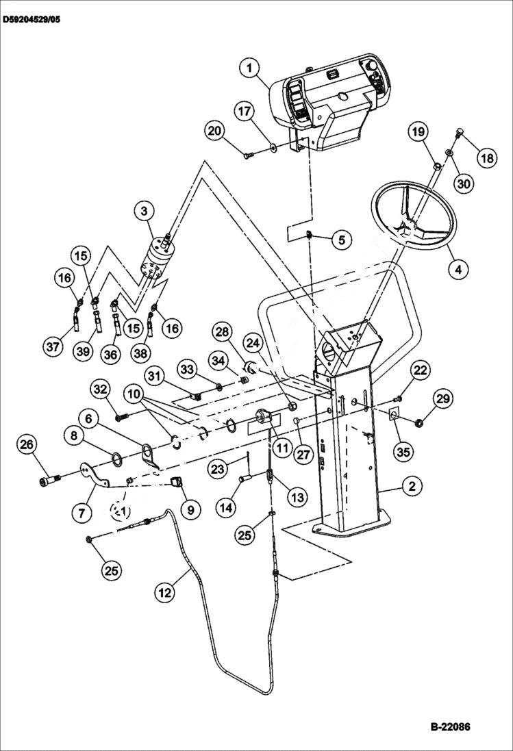
Запчасти Bobcat BCA14 PEDESTAL ASSEMBLY CONSOLE

Схема запчастей Bobcat BCA14 - PEDESTAL ASSEMBLY CONSOLE
FIT
1:1
100%

Артикул

Название

Примечание

Количество

1

CONSOLE ASSEMBLY See Illustration INSTRUMENT PANEL/ B22088

2

IR13316302

PEDESTAL

2

IR59295675

PEDESTAL Was IR59211896 - A

2

IR59295675

PEDESTAL off set option

3

IR13316310

STEERING orbital

3

IR59184689

ORBITAL steering

3

IR13335658

KIT seal

3

IR59184689

ORBITAL steering - off-set option

3

IR13335658

KIT seal

4

IR59213405

Steering Wheel

5

IR59214650

U-nut

6

IR59275495

MOUNT throttle - Was IR59225078 - A

7

IR59219279

THROTTLE LEVER

8

IR59219253

WASHER

9

IR59219246

GRIP

10

IR59219261

WASHER

11

IR59219287

THROTTLE LEVER

12

IR58848516

THROTTLE CABLE

13

IR59901306

CLEVIS

14

IR59726034

CLEVIS PIN

15

IR95866687

ADAPTER

16

IR95371258

ADAPTER

17

IR96740204

washer

18

IR96701958

BOLT

18

IR96702279

BOLT

18

IR96702279

BOLT off-set option

19

IR96726872

NUT

20

IR96702824

BOLT

21

IR96704580

LOCKNUT

22

IR59148569

BOLT

23

IR95924023

COTTER PIN

24

IR95923314

LOCKNUT

25

IR95923124

NUT

26

IR95326609

SCREW

27

IR59992677

PLASTIC PLUG Was IR59228338 - A

28

IR13305180

IGNITION SWITCH W/pigtail harness

28

IR58917261

Ignition Key

28

IR13284690

IR KEY TAG

28

IR54461090

IGNITION SWITCH W/O pigtail harness

28

IR58917261

Ignition Key

28

IR13284690

IR KEY TAG

28

IR54461090

IGNITION SWITCH off-set option

28

IR58917261

Ignition Key

28

IR13284690

IR KEY TAG

29

IR59126961

Nut ignition switch

30

IR96714308

WASHER Was IR96741046 - A

31

IR54479886

CONDUIT CLAMP

32

IR59148684

BOLT

33

IR96741053

WASHER

34

IR96702873

LOCKNUT

35

IR59243584

IGNITION PLATE

36

IR54462387

HOSE 62.5''

36

IR13267661

HOSE off-set option only - 65.5''

37

IR59219469

HOSE 35.5''

38

IR59219477

HOSE 39''

39

IR59219485

HOSE 55.5''

39

IR13267679

HOSE off set option only - 58.5''

Выбрано товаров: 57