Запчасти Bobcat BCA14 INSTRUMENT PANEL CONSOLE

Схема запчастей Bobcat BCA14 - INSTRUMENT PANEL CONSOLE
FIT
1:1
100%

Артикул

Название

Примечание

Количество

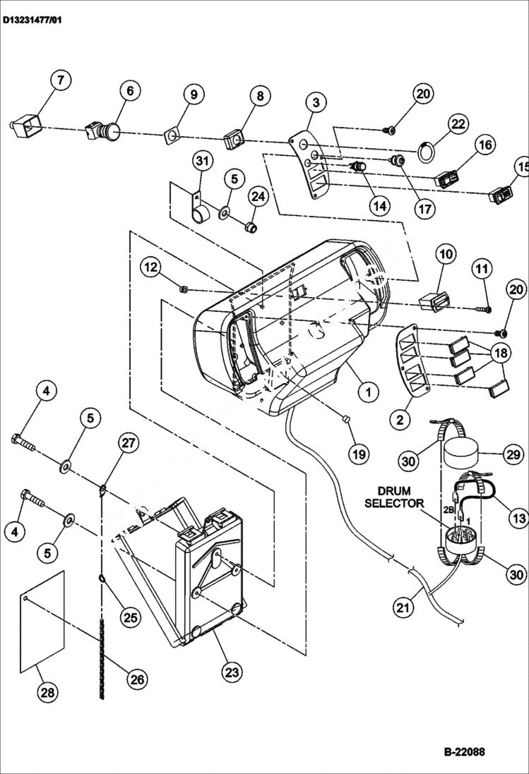
1

IR59295683

Panel instrument - Was IR59212308 - A

2

IR59184069

Switch Panel L.H.

3

IR59184127

Panel emergency

4

IR96714258

SCREW Was IR96701451 - A

5

IR95922324

WASHER

6

STOP SWITCH NLA - Emergency Stop - Order IR43910579 (switch) & IR43910587 (washer) - Was IR59111450 - A

6

IR58917543

BULB emergency stop switch

7

IR59108605

Dust Boot bottom

8

IR59108100

Dust Boot top

9

IR59109116

WASHER

10

IR13305198

HOURMETER

10

IR59165001

HOURMETER

10

IR59165001

HOURMETER off-set option

11

IR59229492

BOLT

12

IR59137448

LOCKNUT

13

IR13229240

HARNESS wire jumper

14

IR58771668

SWITCH push button

15

IR13305420

SWITCH, PARK BRAKE

15

IR59214734

Switch parking brake

15

IR13305420

SWITCH, PARK BRAKE off-set option

16

IR59214742

Switch brake test

17

IR59214726

Indicator warning

18

IR58835398

SWITCH plug

19

IR59813279

BUTTON PLUG

20

IR59148569

BOLT

21

IR13305263

HARNESS console

21

IR13229646

HARNESS console - Was IR59219295 - A

21

IR13229646

HARNESS console - offset option

22

IR59239897

Decal stop

23

IR59185074

Manual Case Was IR59496182 - A

24

IR96704598

LOCKNUT Was IR54468509 - A

25

IR58880303

Split Ring

26

IR58880311

CHAIN Was IR58874389 - A

27

IR58874397

RETAINING RING

28

IR59260943

MANUAL safety label

29

IR13232301

COVER cap

30

IR95373973

TIE STRAP

31

IR54479886

CONDUIT CLAMP

Выбрано товаров: 38