Качественные детали и логистика
Оригинальные и аналоговые запчасти с доставкой по России, Казахстану и Беларуси
©2022 PartSell ООО "Система" ИНН 2463123282 ОГРН 1212400004838
Центральный офис: г. Красноярск, Академика Киренского, д.87, пом.4
Телефон: 8 (800) 777-65-74 Email: zakaz@partsell.ru
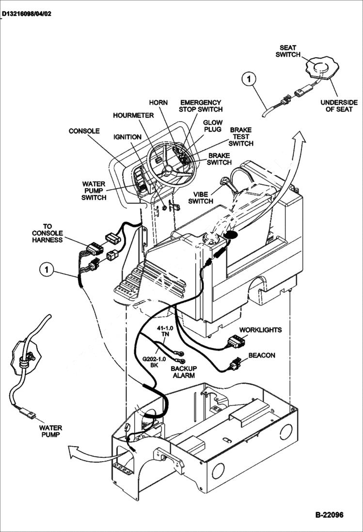
WIRE HARNESS
№
Артикул
Название
Примечание
Количество
1
IR13474465
HARNESS main wiring
FUSE PLATE See Illustration FUSE PLATE/ B22098 - assembly
IR13470414
IR13229695
HARNESS main wiring - Was IR13197827
IR13229687
IR59325712
Fuse 10 amp
IR59006114
HARNESS diode assembly
IR59020065
DIODE alternator
IR59048819
DIODE assembly
IR58965377
RELAY
Выбрано товаров: 0