Качественные детали и логистика
Оригинальные и аналоговые запчасти с доставкой по России, Казахстану и Беларуси
©2022 PartSell ООО "Система" ИНН 2463123282 ОГРН 1212400004838
Центральный офис: г. Красноярск, Академика Киренского, д.87, пом.4
Телефон: 8 (800) 777-65-74 Email: zakaz@partsell.ru
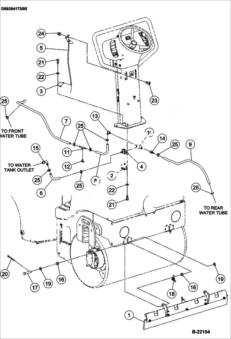
WATER SYSTEM
№
Артикул
Название
Примечание
Количество
1
Scraper Assy See Illustration SCRAPER ASSEMBLY/ B22105
2
IR59225227
Valve Strap
3
IR59225235
Bracket cable retaining
4
IR59225219
Valve plastic ball
5
IR59225284
Cable valve control
6
IR58754136
Hose 18.75''
7
IR59827691
HOSE 60''
8
IR59318204
HOSE ASSY 20''
9
IR59964601
Hose 40''
10
IR59642108
TEE
11
IR59572867
CONNECTOR hose
12
IR95250692
Drain
13
IR59118240
Elbow male
14
IR59579607
HOSE hose
15
IR59642090
ELBOW male
16
IR54494638
Grommet insulation
17
IR59259432
Clevis Pin
18
IR59478743
SPRING
19
IR96738612
washer
20
IR95923926
COTTER PIN
21
IR96702378
BOLT
22
IR96738547
23
IR59148569
24
IR96704580
LOCKNUT
25
IR59363259
HOSE CLAMP
Выбрано товаров: 0