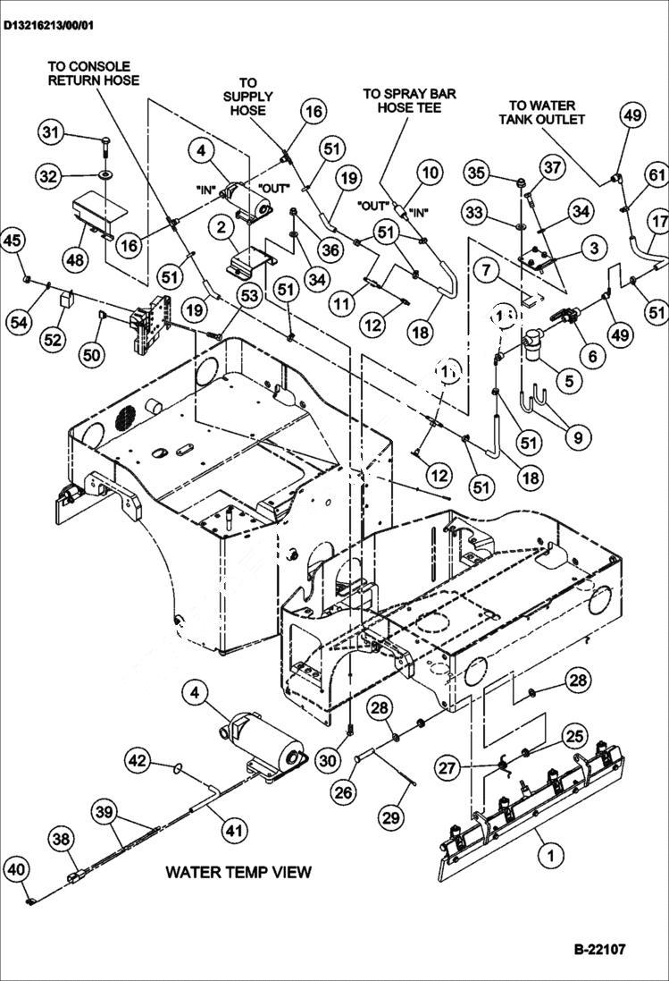
Запчасти Bobcat BCA14 PRESSURIZED WATER SYSTEM (Optional) WATER SYSTEM

Схема запчастей Bobcat BCA14 - PRESSURIZED WATER SYSTEM (Optional) WATER SYSTEM
FIT
1:1
100%

Артикул

Название

Примечание

Количество

1

Scraper Assy See Illustration SPRAY SYSTEM SCRAPER ASSEMBLY/ B22109

2

IR59266882

Bracket pump mounting

3

IR59258392

Bracket strainer mounting

4

IR12765943

PUMP, WATER See Illustration WATER PUMP/ B22134 - Was IR43907963 - A

5

IR59044321

Water Strainer

5

IR13495205

STRAINER water head

5

IR13495213

SCREEN water strainer

5

IR13495221

GASKET water strainer

6

IR59226076

Ball Valve two-way

7

IR59049254

RUBBER SPACER rubber

9

IR59257899

U-BOLT

10

IR58848755

CHECK VALVE

11

IR59572867

CONNECTOR hose

12

IR95250692

Drain

15

IR59118240

Elbow male

16

IR59761346

TEE

17

IR13198049

HOSE 7''

18

IR59821751

HOSE 10''

19

IR59800813

Hose 3''

25

IR54494638

Grommet insulation

26

IR59259432

Clevis Pin

27

IR59478743

SPRING

28

IR96738612

washer

29

IR95923926

COTTER PIN

30

IR96719224

BOLT

31

IR96705744

BOLT

32

IR95922332

washer

33

IR96714308

WASHER Was IR96741046 - A

34

IR96712898

WASHER Was IR96741038 - A

35

IR96712807

LOCKNUT Was IR96704614 - A

36

IR96704606

NUT

37

IR96702659

BOLT

38

IR59436865

RECEPTICLE electrical

39

IR59436840

Contact Pin

40

IR59436873

WEDGE

41

IR59396366

Bulk Loom

42

IR95373973

TIE STRAP

45

IR96704580

LOCKNUT

48

IR13199609

Cover water pump

49

IR59642090

ELBOW male

50

IR59325712

Fuse

51

IR59363259

HOSE CLAMP

51

IR50274299

Hose Clamp

52

IR58965377

RELAY

53

IR96705728

BOLT

54

IR96738554

washer

61

This item not used with this assembly

Выбрано товаров: 47