Качественные детали и логистика
Оригинальные и аналоговые запчасти с доставкой по России, Казахстану и Беларуси
©2022 PartSell ООО "Система" ИНН 2463123282 ОГРН 1212400004838
Центральный офис: г. Красноярск, Академика Киренского, д.87, пом.4
Телефон: 8 (800) 777-65-74 Email: zakaz@partsell.ru
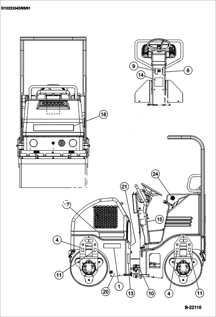
DECALS
№
Артикул
Название
Примечание
Количество
1
IR13268081
DECAL BCA14S
4
IR59246603
Decal Tie Down
6
IR59098079
Decal Throttle
9
IR59246637
Decal Water-Variable
10
IR59605915
Decal Grease
11
IR59246611
Decal Lift Point
13
IR58965542
Decal Crush Area
14
IR54475157
Decal Rollover Hazard Warning
15
IR59132118
Decal Operation Warning
17
IR13268032
Decal Bobcat signature - LH
18
IR13258546
Decal Bobcat signature
20
IR59243519
Decal Stripe
21
This item not used with this assembly
24
IR13395900
DECAL global engineering
Выбрано товаров: 0