Качественные детали и логистика
Оригинальные и аналоговые запчасти с доставкой по России, Казахстану и Беларуси
©2022 PartSell ООО "Система" ИНН 2463123282 ОГРН 1212400004838
Центральный офис: г. Красноярск, Академика Киренского, д.87, пом.4
Телефон: 8 (800) 777-65-74 Email: zakaz@partsell.ru
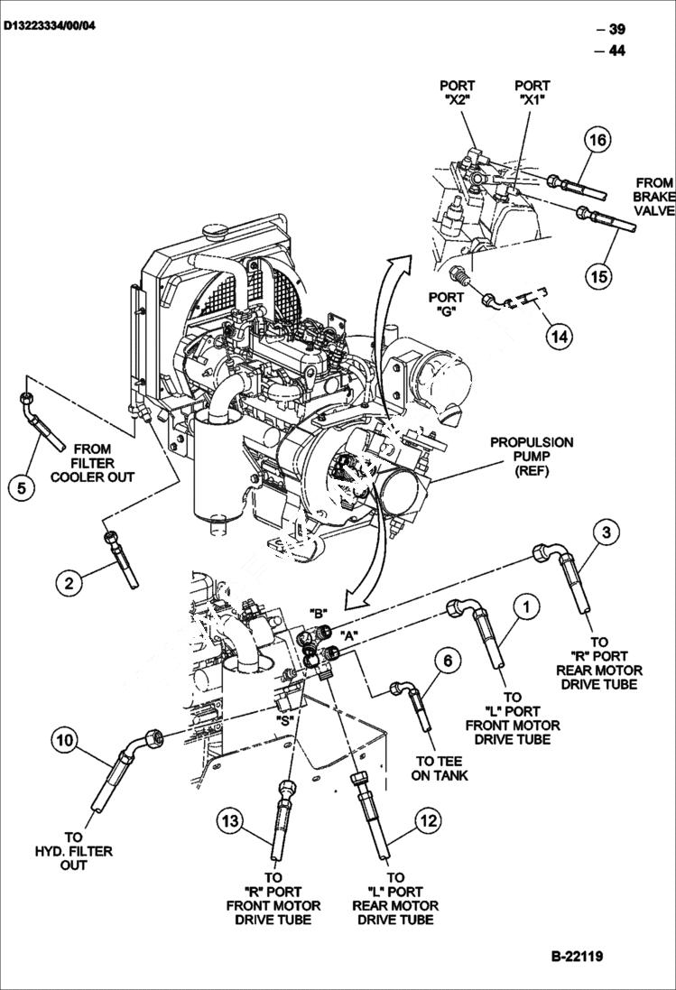
HYDRAULIC HOSING/TUBE CLAMP
№
Артикул
Название
Примечание
Количество
1
IR59280933
HOSE 48''
2
IR54462726
HOSE 25''
3
IR59219352
HOSE 77.5''
IR59174748
HOSE offset frame option - 81''
5
IR54462395
HOSE 26''
6
IR54463344
HOSE 37''
10
IR54462106
HOSE 29''
12
IR59151175
IR58992165
13
IR59197350
HOSE 49''
14
IR59219667
HOSE 17.5''
15
IR59219675
HOSE 19.5''
16
IR59219683
HOSE 22''
39
IR59219436
Hose not shown - 15''
44
IR59219493
Hose not shown - 18''
Выбрано товаров: 0