Качественные детали и логистика
Оригинальные и аналоговые запчасти с доставкой по России, Казахстану и Беларуси
©2022 PartSell ООО "Система" ИНН 2463123282 ОГРН 1212400004838
Центральный офис: г. Красноярск, Академика Киренского, д.87, пом.4
Телефон: 8 (800) 777-65-74 Email: zakaz@partsell.ru
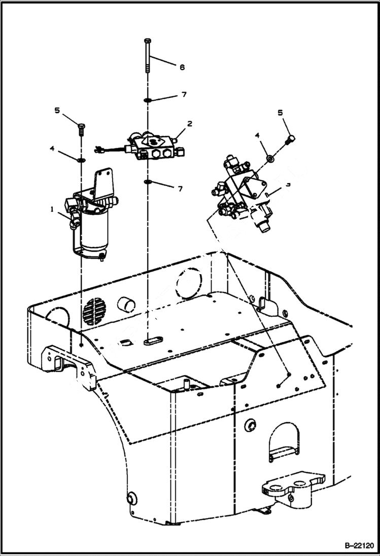
HYDRAULIC CIRCUITRY (Filter & Valve)
№
Артикул
Название
Примечание
Количество
1
Filter Assy See Illustration HYDRAULIC FILTER ASSEMBLY/ B22121 - hydraulic
2
Valve Assy See Illustration BRAKE VALVE ASSEMBLY/ B22122 - loop
3
Valve Assy See Illustration VIBRATION VALVE ASSEMBLY/ B22123 - vibration
4
IR96712898
WASHER Was IR96741038 - A
5
IR96702824
BOLT
6
IR96706817
7
IR96741053
WASHER
Выбрано товаров: 0