Качественные детали и логистика
Оригинальные и аналоговые запчасти с доставкой по России, Казахстану и Беларуси
©2022 PartSell ООО "Система" ИНН 2463123282 ОГРН 1212400004838
Центральный офис: г. Красноярск, Академика Киренского, д.87, пом.4
Телефон: 8 (800) 777-65-74 Email: zakaz@partsell.ru
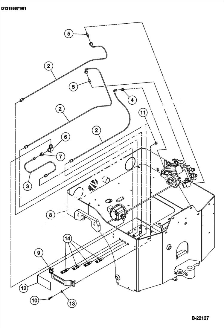
HYDRAULIC TEST PORT (Optional)
№
Артикул
Название
Примечание
Количество
2
IR13161096
HOSE charge - 47.5''
3
IR13161138
HOSE vibration/steering - 17''
4
IR95371258
ADAPTER
5
IR95365086
6
IR95416731
TEE SWIVEL
7
IR59709162
8
IR13359013
FRAME W/test ports - Was IR13161419 - A
9
IR13161054
COVER test port
10
IR96705587
BOLT
11
IR96704606
NUT
12
IR13164280
DECAL test port
13
IR96712898
WASHER Was IR96741038 - A
14
IR13161294
FITTING bulkhead
Выбрано товаров: 0