Качественные детали и логистика
Оригинальные и аналоговые запчасти с доставкой по России, Казахстану и Беларуси
©2022 PartSell ООО "Система" ИНН 2463123282 ОГРН 1212400004838
Центральный офис: г. Красноярск, Академика Киренского, д.87, пом.4
Телефон: 8 (800) 777-65-74 Email: zakaz@partsell.ru
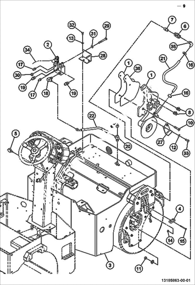
EDGE COMPACTOR (Optional)
№
Артикул
Название
Примечание
Количество
1
IR13158100
MODIFIER ASSY edge compactor
2
IR59298083
MANIFOLD ASSY See Illustration EDGE CUTTER MANIFOLD/ 59298083-00 edge cutter
3
IR13358569
FRAME
4
IR54611942
HOSE CLAMP
5
IR58789306
SWITCH
6
IR58825498
BALL VALVE
7
IR59642132
NIPPLE
8
IR54612023
ADAPTER 90 degree
9
IR59298562
SHIM PLATE
10
IR96748074
BOLT
11
IR96704291
Nut
12
IR96738596
washer
13
IR96712898
WASHER
14
IR96704234
15
IR96706825
16
IR95090106
WORM CLAMP
17
IR95365078
ADAPTER
18
IR95303335
ELBOW
19
IR95303368
20
IR95416731
TEE SWIVEL
21
IR13155403
HOSE assy
22
IR13155411
HOSE assy - T port - 12.5''
27
IR13162110
BRACKET edge compactor
28
IR13162102
29
IR96706981
30
IR96704812
NUT
31
IR96714308
32
IR96705850
33
IR96701495
SCREW
34
IR59279232
HARNESS electrical
35
IR59932095
36
IR13412937
PLATE shim
Выбрано товаров: 0