Запчасти Bobcat BCA24 ENGINE POWER UNIT

Схема запчастей Bobcat BCA24 - ENGINE POWER UNIT
FIT
1:1
100%

Артикул

Название

Примечание

Количество

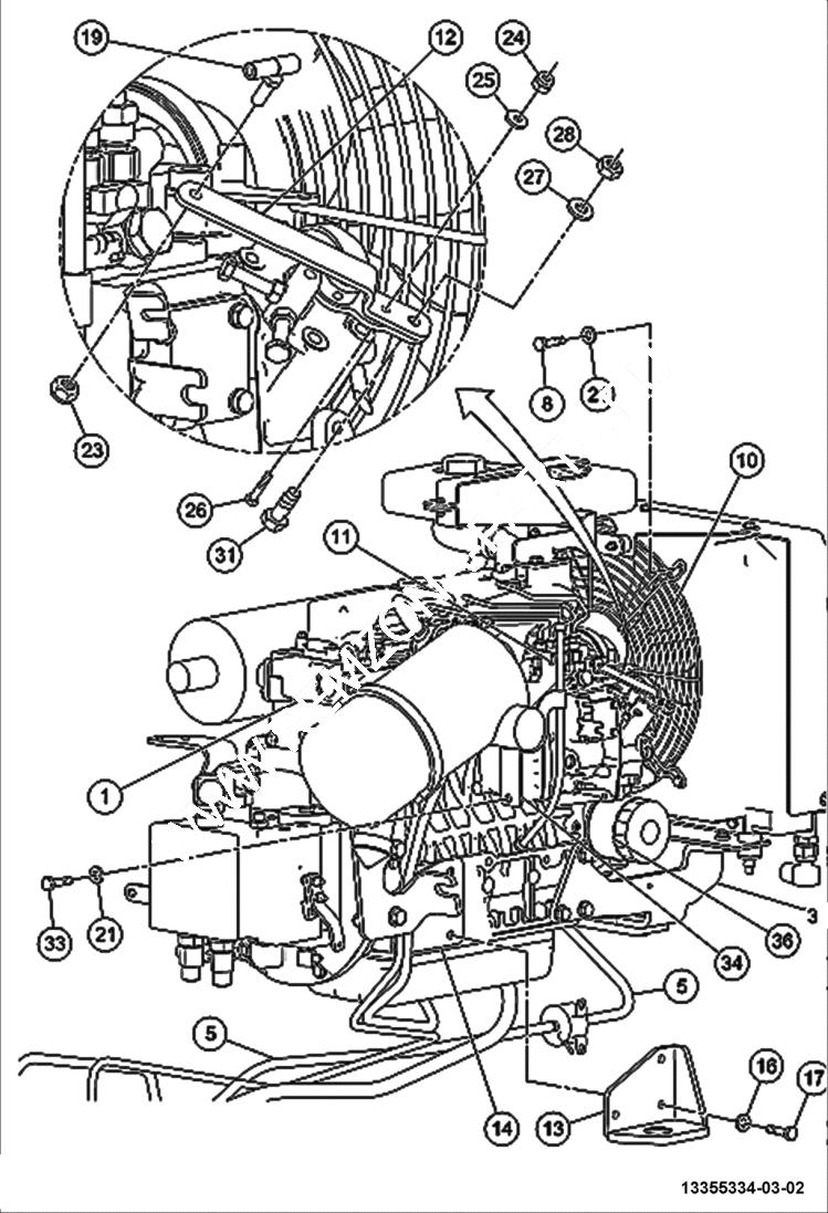
1

IR13412127

ENGINE

1

IR13384136

FAN engine

1

IR13496476

STARTER

1

IR13496898

ALTERNATOR

1

IR13478086

BELT fan

1

IR54477161

PRE-FUEL FILTER inline

1

IR13496492

PUMP fuel

1

IR13342514

ENGINE

1

IR54477153

FUEL FILTER element

1

IR54645395

FUEL FILTER

1

IR13478078

FILTER engine oil

1

IR54567516

STARTER MOTOR

1

IR22371314

ALTERNATOR

1

IR13478086

BELT fan

3

INSTALLATION See Illustration RADIATOR MOUNTING/ 13353487-01 radiator mounting

5

INSTALLATION See Illustration FUEL AND DRAIN LINES/ B22421 fuel & drain lines

8

IR96702824

BOLT

10

IR13353453

GUARD fan

11

IR13354113

BRACKET cable

12

IR13354121

MOUNT lever engine

13

IR59256883

ENGINE MOUNT R.H. - rear

14

IR59226803

ENGINE SPACER

16

IR96738596

washer

17

IR96739669

BOLT

19

IR59455410

BALL STUD

21

IR96712898

WASHER

23

IR95925939

STOP NUT elastic

24

IR13236906

NUT

25

IR96738547

washer

26

IR96705694

BOLT

27

IR96741053

WASHER

28

IR96714423

NUT

31

IR96701958

BOLT

33

IR96715131

BOLT

34

IR96712674

Washer

36

IR13197991

DECAL private label

Выбрано товаров: 36