Качественные детали и логистика
Оригинальные и аналоговые запчасти с доставкой по России, Казахстану и Беларуси
©2022 PartSell ООО "Система" ИНН 2463123282 ОГРН 1212400004838
Центральный офис: г. Красноярск, Академика Киренского, д.87, пом.4
Телефон: 8 (800) 777-65-74 Email: zakaz@partsell.ru
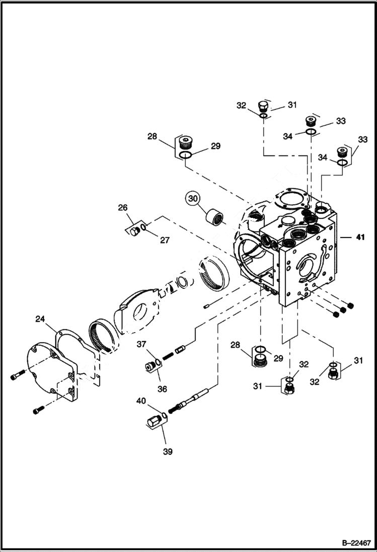
PROPULSION PUMP
№
Артикул
Название
Примечание
Количество
24
IR54492558
GASKET
26
IR13263728
PLUG
27
IR59051573
O-RING
28
IR59949461
29
IR58220567
30
IR58950759
BEARING needle
31
IR59933622
32
IR58881863
33
IR58828526
34
IR59558650
36
IR54492566
37
39
IR59145987
40
41
IR13219175
PUMP propulsion - complete
Выбрано товаров: 0