Качественные детали и логистика
Оригинальные и аналоговые запчасти с доставкой по России, Казахстану и Беларуси
©2022 PartSell ООО "Система" ИНН 2463123282 ОГРН 1212400004838
Центральный офис: г. Красноярск, Академика Киренского, д.87, пом.4
Телефон: 8 (800) 777-65-74 Email: zakaz@partsell.ru
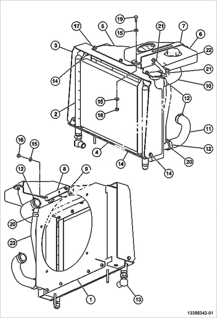
RADIATOR
№
Артикул
Название
Примечание
Количество
1
IR13353495
IR13400890
CAP radiator
2
IR59265033
OIL COOLER
3
IR59266825
TOP SHROUD
4
IR13353628
SHROUD bottom
5
IR13357850
PLATE shock mounting
6
IR13356704
BOTTLE pressurized recovery
7
IR13357843
STRAP bottle
8
IR13353735
PLATE top radiator isolator
9
IR59259606
HORN MOUNT small sandwich
10
IR13325204
HOSE upper radiator
11
IR13353768
HOSE
12
IR95220893
HOSE CLAMP
13
IR95302147
ELBOW
14
IR96704218
SCREW
15
IR96741053
WASHER
16
IR96704234
Nut
17
IR96704408
BOLT, FLANGE HEAD
18
IR96704598
LOCKNUT
19
IR96704564
BOLT
20
IR95671285
21
IR13305446
CLAMP
22
IR13342894
HOSE assembly - 6''
23
IR13356688
HOSE assembly - 14.5''
Выбрано товаров: 0