Качественные детали и логистика
Оригинальные и аналоговые запчасти с доставкой по России, Казахстану и Беларуси
©2022 PartSell ООО "Система" ИНН 2463123282 ОГРН 1212400004838
Центральный офис: г. Красноярск, Академика Киренского, д.87, пом.4
Телефон: 8 (800) 777-65-74 Email: zakaz@partsell.ru
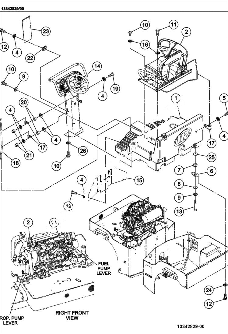
OPERATORS PLATFORM
№
Артикул
Название
Примечание
Количество
1
IR13351820
TANK operator platform/water
IR54489000
WATER TANK CAP
IR13264254
DRAIN PLUG
IR59277210
Water Strainer Optional
2
Seat Assy See Illustration SEAT ASSEMBLY/ 59227157-08
4
IR96712898
WASHER
5
IR96702816
BOLT
6
IR59184077
ISOLATOR MOUNT
7
IR59653543
SHOCK MOUNT
8
IR59302919
9
IR96714308
10
IR96702279
11
IR96702287
BOLT Was IR96704713 - D
12
IR96702824
13
IR96704713
14
PEDESTAL ASSY See Illustration PEDESTAL ASSEMBLY/ B22428
15
IR59226530
FRONT PLATE
16
IR96711825
WASHER spacer - Was IR13163779 - D
17
IR59121855
CLAMP
18
IR59227181
SIGHT TUBE ASSY
IR59656678
Adapter male
IR59226654
BALL FLOAT
SIGHT TUBE ASSY Was IR59226647 - A
IR59093351
FILTER breather
19
IR96702659
20
IR96701370
Nut
21
IR96728431
LOCKNUT
22
IR59214650
U-nut
23
IR59259200
PEDESTAL COVER
24
IR96740188
25
IR13163779
PLATFORM flatwasher
26
Выбрано товаров: 0