Качественные детали и логистика
Оригинальные и аналоговые запчасти с доставкой по России, Казахстану и Беларуси
©2022 PartSell ООО "Система" ИНН 2463123282 ОГРН 1212400004838
Центральный офис: г. Красноярск, Академика Киренского, д.87, пом.4
Телефон: 8 (800) 777-65-74 Email: zakaz@partsell.ru
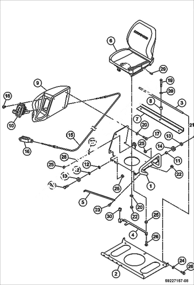
SEAT ASSEMBLY
№
Артикул
Название
Примечание
Количество
1
SEAT SLIDE ASSY NSS
IR59268946
MOUNTING PLATE seat
IR59225516
HANDLE
IR59214908
SEAT STRAP
IR59259499
ANGLE
IR59259614
MOUNTING PLATE spring
IR59268789
GUIDE PLATE
2
IR59269142
SEAT BASE
3
IR59214973
SEAT ROD
4
IR59259556
LATCH
5
IR59259697
SPRING
6
IR13328125
SEAT See Illustration SEAT/ B22477 assembly
IR13281340
SWITCH non-booted
IR13281357
SWITCH booted
7
IR59226423
STIFFENER seat base
8
IR59226415
STANDOFF seat rod
IR59367086
TUBE
9
IR59265694
HOUSING F-STOP-R
10
IR13316385
F-N-R CONTROL See Illustration F-STOP-R CONTROL/ 13316385-00 F-STOP-R
11
IR59214585
BUSHING
12
IR59214460
HINGE RING
13
IR59214932
BEARING
14
IR59278655
WHEEL
15
IR54520986
CABLE F-STOP-R
16
IR59662312
CLEVIS ASSY
17
IR96702659
BOLT
18
IR13198015
19
IR96702402
20
IR96712898
WASHER
21
IR96704556
22
IR96701370
Nut
23
IR96702824
24
IR96714308
25
IR96704812
NUT
26
IR96702287
27
IR59117317
CLAMP
28
IR96704325
29
IR13332671
HARNESS seat switch
30
IR59219246
GRIP
Выбрано товаров: 0