Качественные детали и логистика
Оригинальные и аналоговые запчасти с доставкой по России, Казахстану и Беларуси
©2022 PartSell ООО "Система" ИНН 2463123282 ОГРН 1212400004838
Центральный офис: г. Красноярск, Академика Киренского, д.87, пом.4
Телефон: 8 (800) 777-65-74 Email: zakaz@partsell.ru
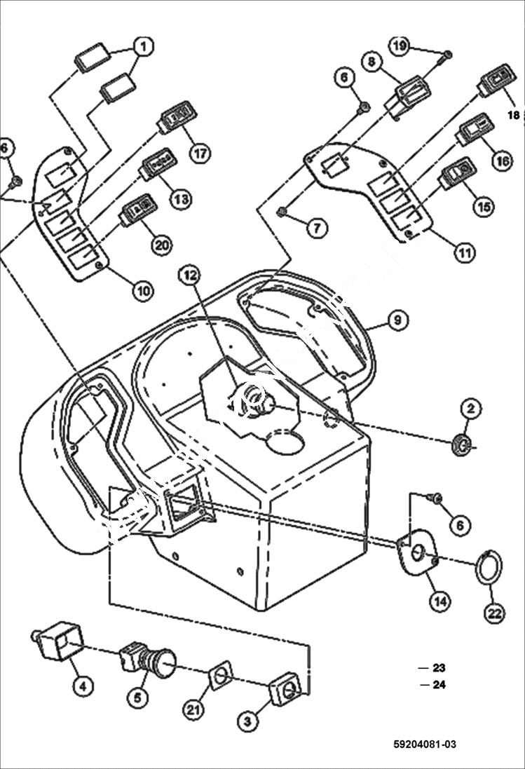
CONSOLE ASSEMBLY
№
Артикул
Название
Примечание
Количество
1
IR58835398
SWITCH blank
2
IR58924333
SWITCH NUT
3
IR59108100
Dust Boot top
4
IR59108605
Dust Boot bottom
5
STOP SWITCH NLA - Emergency Stop - Order IR43910579 (switch) & IR43910587 (washer) - Was IR59111450 - A
IR58917543
BULB
6
IR59148569
BOLT
7
IR59137448
LOCKNUT
8
IR13305198
HOURMETER
9
IR59295592
PANEL instrument
10
IR59212985
SWITCH PANEL L.H.
11
IR59269266
SWITCH PANEL R.H.
12
IR13305180
IGNITION SWITCH
IR58917261
Ignition Key
13
IR59214718
SWITCH drum vibration
14
IR43937747
PANEL, MOUNTING emergency - Was IR59269274
15
IR13305420
SWITCH, PARK BRAKE parking brake
16
IR59214742
Switch brake test
17
IR59226597
SWITCH water pump
18
IR13305438
SWITCH voltage indicator
19
IR59148692
20
IR59228361
SWITCH auto vibration
21
IR59109116
WASHER
22
IR59239897
Decal stop
23
IR13305347
HARNESS console - Item Not Shown
24
IR59243584
IGNITION PLATE ignition - Item Not Shown
Выбрано товаров: 0