Качественные детали и логистика
Оригинальные и аналоговые запчасти с доставкой по России, Казахстану и Беларуси
©2022 PartSell ООО "Система" ИНН 2463123282 ОГРН 1212400004838
Центральный офис: г. Красноярск, Академика Киренского, д.87, пом.4
Телефон: 8 (800) 777-65-74 Email: zakaz@partsell.ru
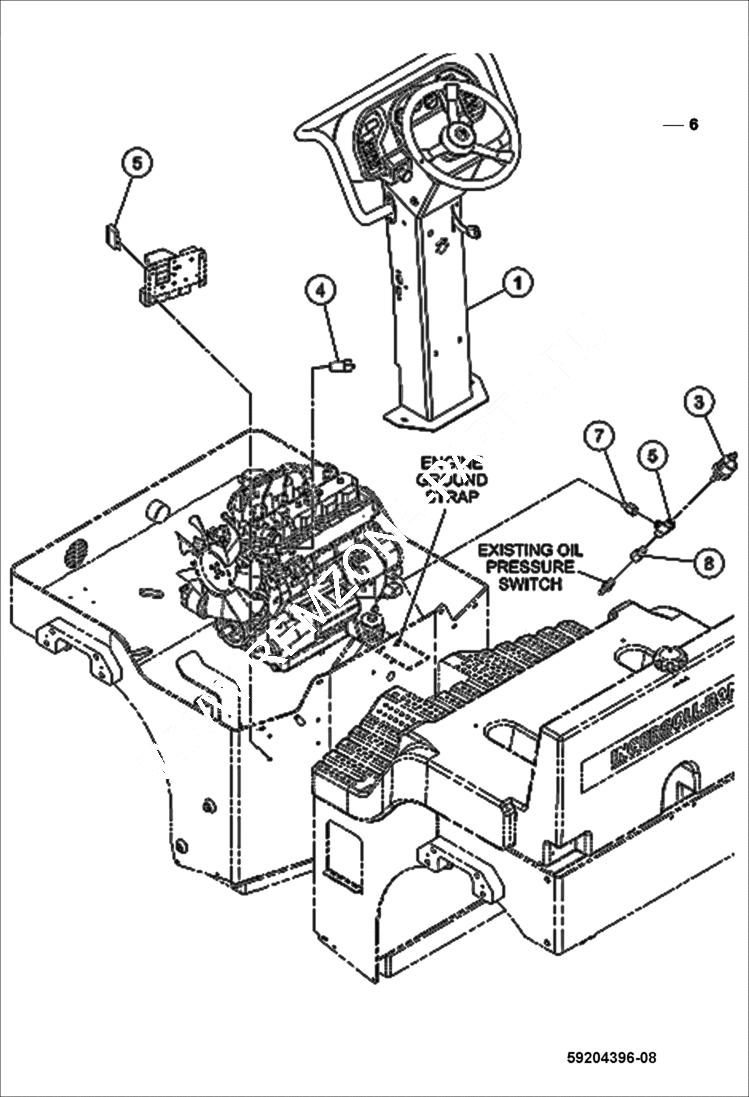
GAUGES (Optional)
№
Артикул
Название
Примечание
Количество
1
PEDESTAL ASSY See Illustration PEDESTAL GAUGE/ 59204065-09 gauge
3
IR58878000
SENDER oil pressure
4
IR59443408
SENDER temperature
5
IR95279915
ADAPTER
6
IR59325712
Fuse 10 Amp
7
IR13359229
8
IR13359237
Выбрано товаров: 0