Запчасти Bobcat BCA24 CONSOLE ASSEMBLY (Optional) ELECTRICAL SYSTEM

Схема запчастей Bobcat BCA24 - CONSOLE ASSEMBLY (Optional) ELECTRICAL SYSTEM
FIT
1:1
100%

Артикул

Название

Примечание

Количество

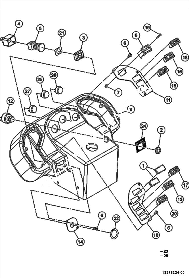
1

IR58835398

SWITCH blank

2

IR58924333

SWITCH NUT

3

IR59108100

Dust Boot top mounting

4

IR59108605

Dust Boot bottom

5

STOP SWITCH NLA - Emergency Stop - Order IR43910579 (switch) & IR43910587 (washer) - Was IR59111450 - A

5

IR58917543

BULB

6

IR59148569

BOLT

7

IR59137448

LOCKNUT

8

IR13305198

HOURMETER

9

IR59295592

PANEL large pod

10

IR59212985

SWITCH PANEL left

11

IR59269266

SWITCH PANEL right

12

IR13305180

IGNITION SWITCH

12

IR58917261

Ignition Key

13

IR59214718

SWITCH drum vibration

14

IR43937747

PANEL, MOUNTING emergency - Was IR59269274

15

IR13305420

SWITCH, PARK BRAKE

16

IR59214742

Switch brake test

17

IR59226597

SWITCH water system

18

IR13305438

SWITCH warning indicator light

19

IR59148692

BOLT

20

IR59228361

SWITCH auto vibration

21

IR59109116

WASHER

22

IR59239897

Decal stop

23

IR13305305

HARNESS console - not shown

24

IR59243584

IGNITION PLATE

25

IR59046904

GAUGE oil pressure

26

IR59044297

GAUGE voltmeter

27

IR59132324

GAUGE water temperature

28

IR59270280

HARNESS gauge - not shown

Выбрано товаров: 30