Запчасти Bobcat BCA24 CANOPY ROPS BEACON LAMP (Optional) ELECTRICAL SYSTEM

Схема запчастей Bobcat BCA24 - CANOPY ROPS BEACON LAMP (Optional) ELECTRICAL SYSTEM
FIT
1:1
100%

Артикул

Название

Примечание

Количество

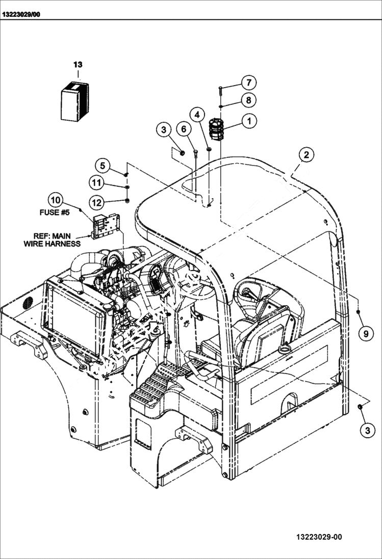
1

IR59083105

BEACON LIGHT

1

IR59023077

LENS amber

1

IR59022871

Bulb

2

IR59270298

HARNESS beacon

3

IR59704403

GROMMET

4

IR58948035

TYRAP

5

IR59397059

CLAMP

6

IR96704564

BOLT

7

IR96705744

BOLT

8

IR96738554

washer

9

IR96704580

LOCKNUT

10

IR59325712

Fuse 10 Amp

11

IR96741053

WASHER

12

IR96704598

LOCKNUT

13

IR13223011

BEACON KIT

Выбрано товаров: 0