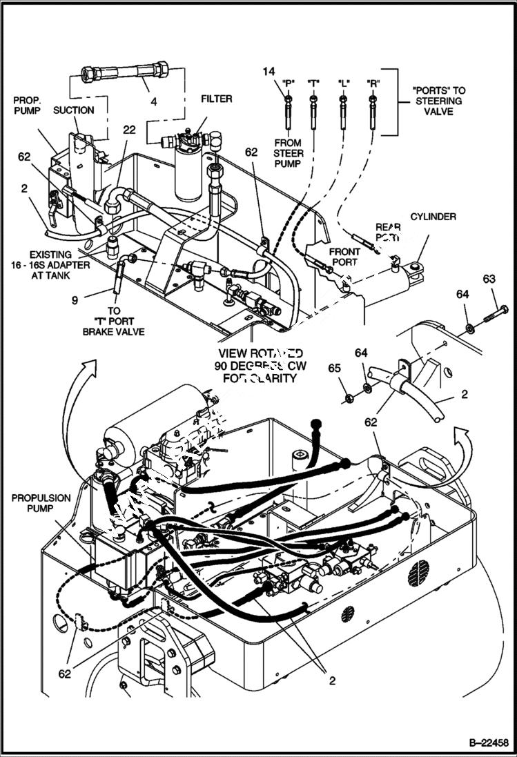
Запчасти Bobcat BCA24 HYDRAULIC HOSING/TUBE CLAMP HYDRAULIC SYSTEM

Схема запчастей Bobcat BCA24 - HYDRAULIC HOSING/TUBE CLAMP HYDRAULIC SYSTEM
FIT
1:1
100%

Артикул

Название

Примечание

Количество

2

IR13165048

HOSE 24''

4

IR13023478

HOSE 11.0''

9

IR59219964

HOSE 39.0''

22

IR59810820

HOSE 31.0''

62

IR95396776

HOSE CLAMP

63

IR96702659

BOLT

64

IR96712898

WASHER

65

IR96704606

NUT

Выбрано товаров: 8