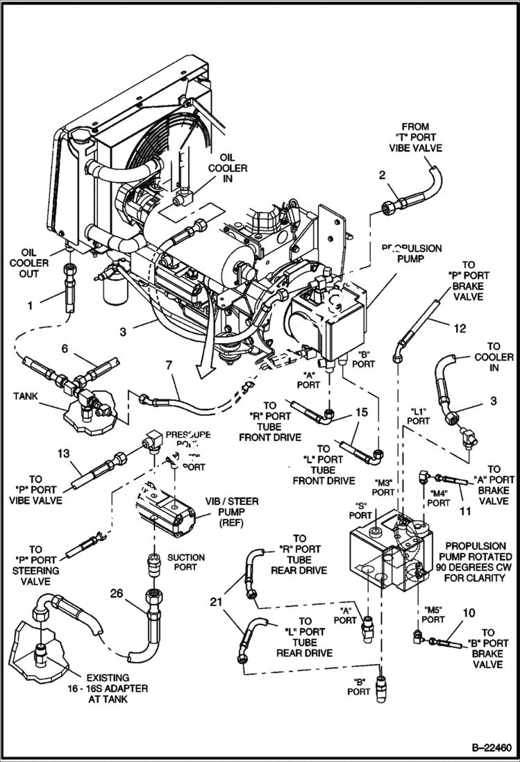
Запчасти Bobcat BCA24 HYDRAULIC HOSING/TUBE CLAMP HYDRAULIC SYSTEM

Схема запчастей Bobcat BCA24 - HYDRAULIC HOSING/TUBE CLAMP HYDRAULIC SYSTEM
FIT
1:1
100%

Артикул

Название

Примечание

Количество

1

IR54469267

HOSE 19.0''

2

IR13165048

HOSE 24.0''

3

IR54660873

HOSE,65.0'' 72.5''

6

IR54484407

HOSE 40.5''

7

IR13199559

HOSE ASSEMBLY 19.5''

10

IR59219840

HOSE 30.5''

11

IR59219857

HOSE 38.0''

12

IR59219865

HOSE 35.5''

13

IR59219881

HOSE 64.0''

15

IR59219907

HOSE 56.0''

21

IR54537105

HOSE 89.5''

26

IR59587725

HOSE 24.0''

Выбрано товаров: 12