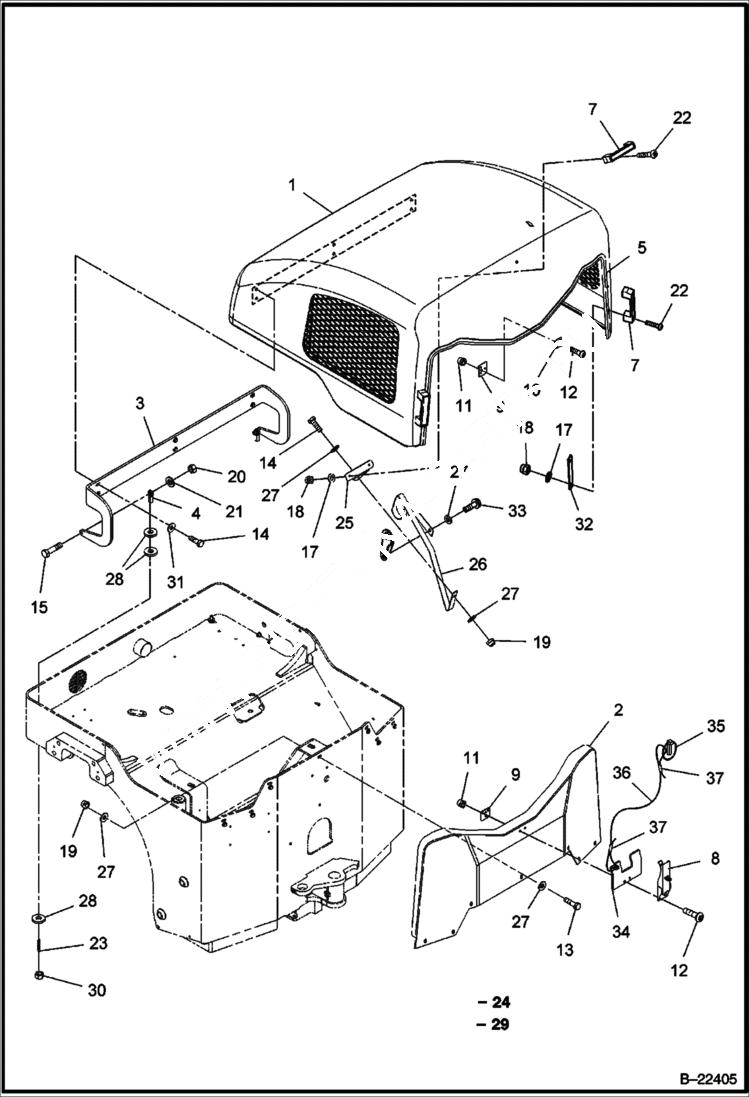
Запчасти Bobcat BCA24 HOOD & TRIM MAIN FRAME

Схема запчастей Bobcat BCA24 - HOOD & TRIM MAIN FRAME
FIT
1:1
100%

Артикул

Название

Примечание

Количество

1

IR13298328

Hood

1

IR13236989

HOOD

2

IR13298336

FILLER PLATE

2

IR13236948

FILLER PLATE

3

IR59273516

Hood Hinge

4

IR59274803

Rod End

5

IR59223545

SEAL TRIM

7

IR54469390

GRAB HANDLE

8

IR13233242

LATCH

9

IR13236799

BACKING PLATE

9

IR59259150

Backing Plate

10

IR13236831

KEEPER LATCH exposed

11

IR13236906

NUT

12

IR96720974

BOLT

12

IR96727953

BOLT

13

IR96705587

BOLT

14

IR96702659

BOLT

15

IR95919254

BOLT

17

IR96738554

washer

18

IR96704580

LOCKNUT

19

IR96704606

NUT

20

IR95922894

Nut

21

IR96714308

WASHER Was IR96741046 - A

22

IR96740436

BOLT

23

IR54651575

THREADED STUD

24

IR59269829

PLATE strap mounting

25

IR59269191

BACKING PLATE

26

IR13207063

HOOD STRAP

27

IR95922183

WASHER

28

IR96711833

washer

29

IR59298737

SPACER SLOTTED

30

IR59329649

Nut

31

IR96712674

Washer

32

IR13235452

PLATE BACKING

33

IR96702824

BOLT

34

IR13297775

TETHER PLATE hood

35

IR13298286

PIN

36

IR59436741

CABLE

37

IR59214775

SLEEVE

Выбрано товаров: 39