Качественные детали и логистика
Оригинальные и аналоговые запчасти с доставкой по России, Казахстану и Беларуси
©2022 PartSell ООО "Система" ИНН 2463123282 ОГРН 1212400004838
Центральный офис: г. Красноярск, Академика Киренского, д.87, пом.4
Телефон: 8 (800) 777-65-74 Email: zakaz@partsell.ru
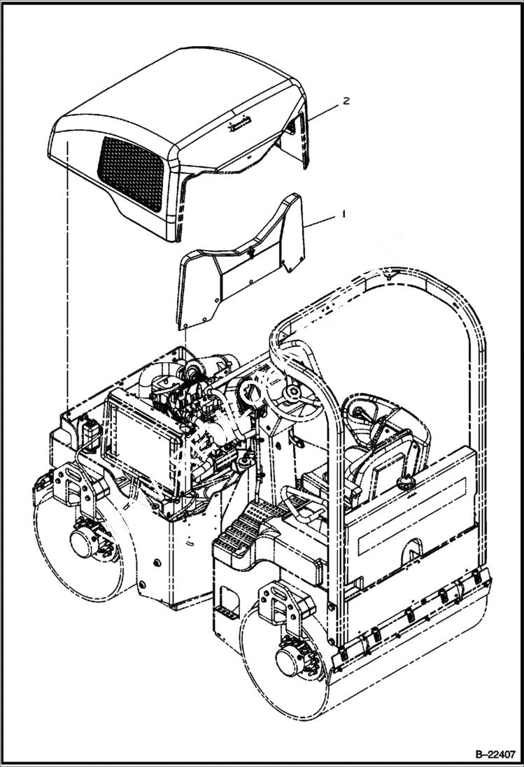
SOUND KIT (Optional)
№
Артикул
Название
Примечание
Количество
1
IR13298369
SOUND PANEL assy
IR13274808
2
IR13298351
SOUND HOOD assy
IR13274816
IR13329073
COVER, HOOD Was IR59265553 - A
IR59268409
HOOD FOAM top
IR59268391
HOOD FOAM R.H.
IR59268383
HOOD FOAM L.H.
IR59268854
HANGER KIT Includes base plate w/pin, retaining washer & safety cap
Выбрано товаров: 0