Качественные детали и логистика
Оригинальные и аналоговые запчасти с доставкой по России, Казахстану и Беларуси
©2022 PartSell ООО "Система" ИНН 2463123282 ОГРН 1212400004838
Центральный офис: г. Красноярск, Академика Киренского, д.87, пом.4
Телефон: 8 (800) 777-65-74 Email: zakaz@partsell.ru
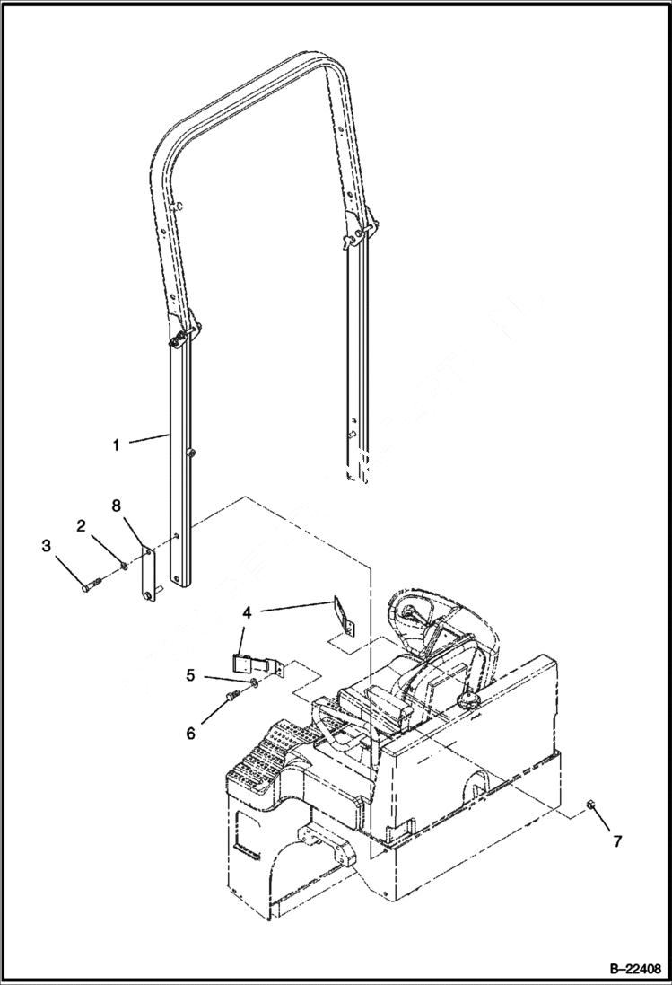
FOLDABLE ROPS (Optional)
№
Артикул
Название
Примечание
Количество
1
IR13250642
Foldable ROPS
IR13184999
FOLDABLE ROPS
2
IR96738620
WASHER
3
IR96700919
BOLT
4
IR59227561
Seat Belt
5
IR96738596
washer
6
IR96702790
7
IR96702857
Nut
8
IR59256917
ROPS Plate
Выбрано товаров: 0