Качественные детали и логистика
Оригинальные и аналоговые запчасти с доставкой по России, Казахстану и Беларуси
©2022 PartSell ООО "Система" ИНН 2463123282 ОГРН 1212400004838
Центральный офис: г. Красноярск, Академика Киренского, д.87, пом.4
Телефон: 8 (800) 777-65-74 Email: zakaz@partsell.ru
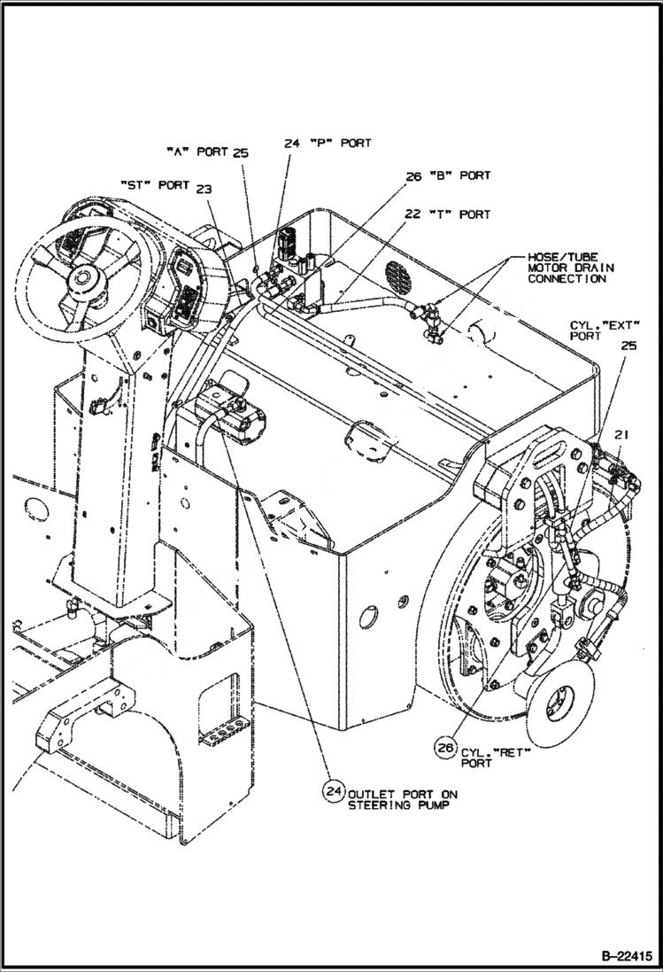
EDGE COMPACTOR (Optional)
№
Артикул
Название
Примечание
Количество
21
IR13155403
HOSE
22
IR13155411
HOSE T Port
23
IR13155429
HOSE ST Port
24
IR13155437
HOSE P Port
25
IR13155445
HOSE A Port
26
IR13155452
HOSE B Port
Выбрано товаров: 0