Качественные детали и логистика
Оригинальные и аналоговые запчасти с доставкой по России, Казахстану и Беларуси
©2022 PartSell ООО "Система" ИНН 2463123282 ОГРН 1212400004838
Центральный офис: г. Красноярск, Академика Киренского, д.87, пом.4
Телефон: 8 (800) 777-65-74 Email: zakaz@partsell.ru
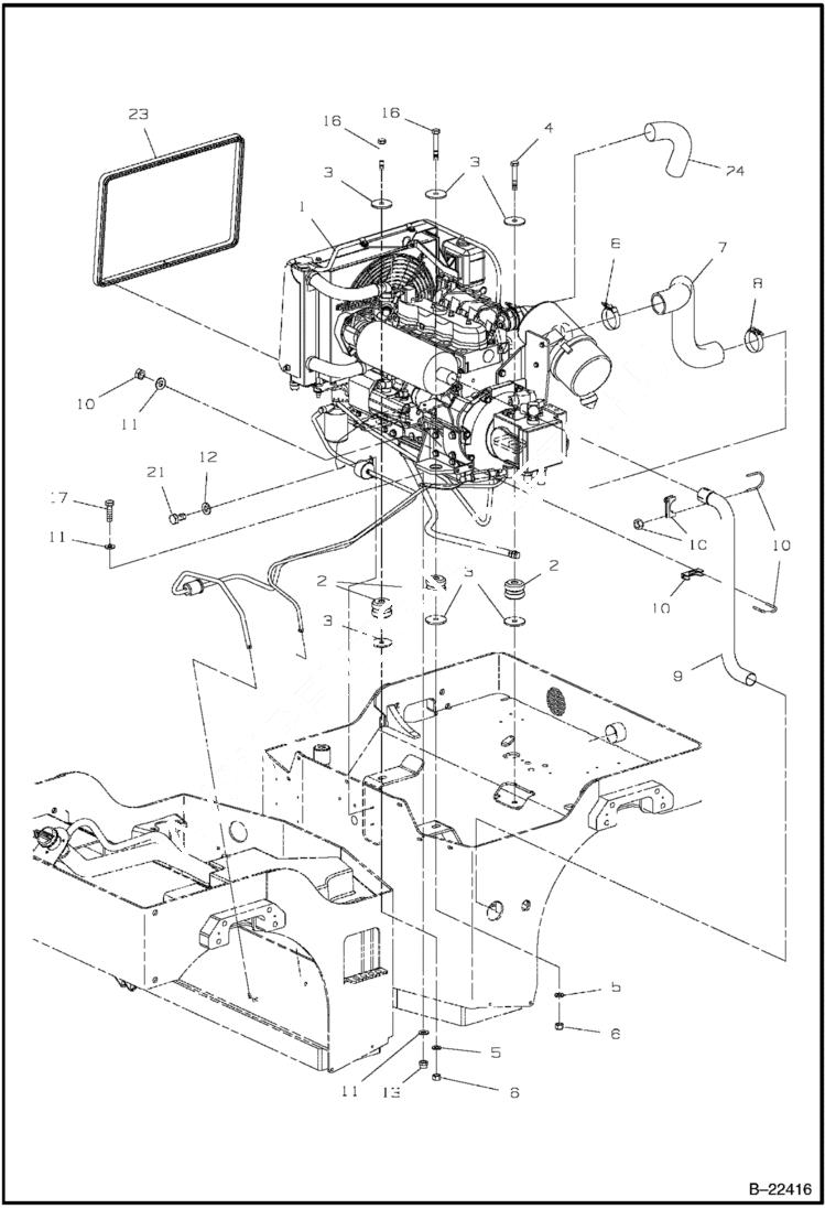
ENGINE
№
Артикул
Название
Примечание
Количество
1
ENGINE See Illustration ENGINE/ B22417
2
IR59256982
SHOCK MOUNT
3
IR59256545
WASHER
4
IR96739990
BOLT
5
IR96738612
washer
6
IR96703657
NUT
7
IR59225086
INTAKE HOSE intake hose
8
IR54680061
T-BOLT CLAMP 3 inch
9
IR59272872
EXHAUST PIPE
10
IR59997684
CLAMP
11
IR96712898
WASHER Was IR96741038 - A
12
IR96741053
13
IR96714308
WASHER Was IR96704606 - B
16
IR96739982
17
IR96705587
21
IR96702394
23
IR59239632
SEAL TRIM
24
IR58848979
SPIRAL WRAP
Выбрано товаров: 0