Качественные детали и логистика
Оригинальные и аналоговые запчасти с доставкой по России, Казахстану и Беларуси
©2022 PartSell ООО "Система" ИНН 2463123282 ОГРН 1212400004838
Центральный офис: г. Красноярск, Академика Киренского, д.87, пом.4
Телефон: 8 (800) 777-65-74 Email: zakaz@partsell.ru
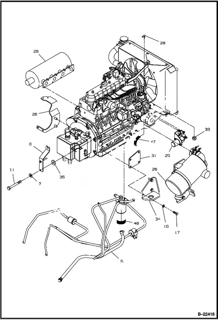
ENGINE
№
Артикул
Название
Примечание
Количество
5
FUEL SYSTEM See Illustration FUEL AND DRAIN LINES/ B22421
6
IR59265769
CABLE BRACKET
7
IR96712674
Washer
11
IR96715131
BOLT
16
IR96738596
washer
17
IR96739669
25
IR59211169
SOLENOID shut down
26
AIR CLEANER See Illustration AIR CLEANER AND MUFFLER/ B22423
28
IR59455410
BALL STUD
31
IR59226803
ENGINE SPACER rear
33
IR95925939
STOP NUT elastic
34
IR59256883
ENGINE MOUNT R.H. - rear
35
IR96712898
WASHER Was IR96741038 - A
47
IR13197991
DECAL
48
IR13198007
Выбрано товаров: 0