Качественные детали и логистика
Оригинальные и аналоговые запчасти с доставкой по России, Казахстану и Беларуси
©2022 PartSell ООО "Система" ИНН 2463123282 ОГРН 1212400004838
Центральный офис: г. Красноярск, Академика Киренского, д.87, пом.4
Телефон: 8 (800) 777-65-74 Email: zakaz@partsell.ru
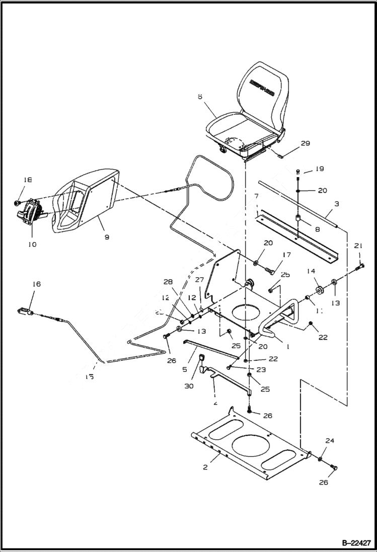
SEAT ASSEMBLY
№
Артикул
Название
Примечание
Количество
1
SEAT SLIDE ASSY NSS
IR59268946
MOUNTING PLATE seat
IR59225516
HANDLE
IR59214908
SEAT STRAP
IR59259499
ANGLE
IR59259614
MOUNTING PLATE spring
IR59268789
GUIDE PLATE
2
IR59269142
SEAT BASE
3
IR59214973
SEAT ROD
4
IR59259556
LATCH
5
IR59259697
SPRING
6
IR54670302
SEAT See Illustration SEAT/ B22477
IR59154484
SEWN BOOT
IR54496377
KIT shock absorber
IR54496369
KIT Springs (2) & Cable (1)
IR54496385
KIT shaft & knob - cable
IR59154831
CUSHION KIT
7
IR59226423
STIFFENER seat base
8
IR59226415
STANDOFF seat rod
9
IR59265694
HOUSING F-STOP-R
10
IR13316385
F-N-R CONTROL See Illustration F-STOP-R CONTROL/ B22475 F-STOP-R - Was IR54564943 - A
11
IR59214585
BUSHING
12
IR59214460
HINGE RING
13
IR59214932
BEARING
14
IR59278655
WHEEL
15
IR54520986
CABLE F-STOP-R
16
IR59662312
CLEVIS ASSY
17
IR96702659
BOLT
18
IR59148569
19
IR96702402
20
IR96712898
WASHER Was IR96741038 - A
21
IR96704556
22
IR96701370
Nut
23
IR96702824
24
IR96714308
WASHER Was IR96741046 - A
25
IR96704812
NUT
26
IR96702287
27
IR59117317
CLAMP
28
IR96704325
WASHER
Выбрано товаров: 0