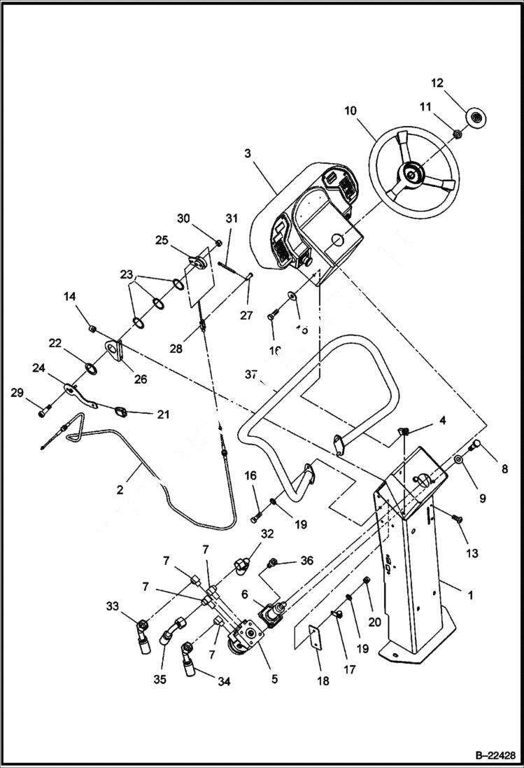
Запчасти Bobcat BCA24 PEDESTAL ASSEMBLY CONSOLE

Схема запчастей Bobcat BCA24 - PEDESTAL ASSEMBLY CONSOLE
FIT
1:1
100%

Артикул

Название

Примечание

Количество

1

IR59295600

PEDESTAL

2

IR54465075

THROTTLE CABLE

3

IR13276324

CONSOLE ASSY See Illustration CONSOLE ASSEMBLY/ B22431

4

IR59214650

U-nut

5

IR59212860

CONTROL VALVE steering control

5

IR59596577

KIT bearing

5

IR54514666

KIT seal

5

IR59393389

SPRING KIT centering spring

5

IR54582317

CHECK VALVE KIT check valve

6

IR58858580

STRG COLUMN

7

IR58871005

FITTING

8

IR96704309

BOLT

9

IR96714308

WASHER Was IR96741046 - A

10

IR58858564

STEERING WHEEL

10

IR59199141

SPINNER KIT Optional

11

IR59461368

NUT

12

IR58858572

HORN BUTTON

13

IR59148569

BOLT

14

IR96702865

NUT

15

IR96740204

washer

16

IR96702659

BOLT

17

IR59020222

CONDUIT CLAMP

18

IR59271874

BACKING PLATE

19

IR96712898

WASHER Was IR96741038 - A

20

IR96704606

NUT

21

IR59219246

GRIP

22

IR59219253

WASHER

23

IR59219261

WASHER

24

IR59219279

THROTTLE LEVER

25

IR59219287

THROTTLE LEVER

26

IR59226548

BRACKET throttle

27

IR59726034

CLEVIS PIN

28

IR59901306

CLEVIS

29

IR95326609

SCREW

30

IR95923314

LOCKNUT

31

IR95924023

COTTER PIN

32

IR54473871

HOSE 61.5''

33

IR59219899

HOSE 84.5''

34

IR54472956

HOSE 49''

35

IR59219956

HOSE 48''

36

IR96704929

BOLT

37

IR59271882

HANDRAIL

Выбрано товаров: 42