Качественные детали и логистика
Оригинальные и аналоговые запчасти с доставкой по России, Казахстану и Беларуси
©2022 PartSell ООО "Система" ИНН 2463123282 ОГРН 1212400004838
Центральный офис: г. Красноярск, Академика Киренского, д.87, пом.4
Телефон: 8 (800) 777-65-74 Email: zakaz@partsell.ru
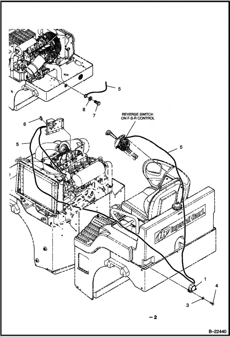
BACKUP ALARM (Optional)
№
Артикул
Название
Примечание
Количество
1
IR54535844
BACKUP ALARM
2
IR59274688
SPACER
3
IR96741053
WASHER
4
IR96701958
BOLT
5
See Illustration WIRE HARNESS/ B22435 - Not Sold Separately - included with Main Wiring Harness
6
IR59325712
Fuse 10 Amp
Выбрано товаров: 0