Качественные детали и логистика
Оригинальные и аналоговые запчасти с доставкой по России, Казахстану и Беларуси
©2022 PartSell ООО "Система" ИНН 2463123282 ОГРН 1212400004838
Центральный офис: г. Красноярск, Академика Киренского, д.87, пом.4
Телефон: 8 (800) 777-65-74 Email: zakaz@partsell.ru
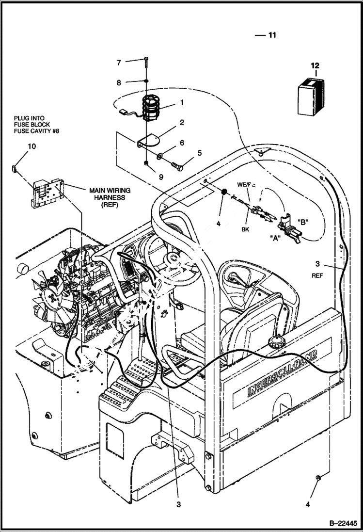
ARCH ROPS BEACON LIGHT (Optional)
№
Артикул
Название
Примечание
Количество
1
IR59083105
BEACON LIGHT
2
IR59272427
Bracket
3
IR59270272
HARNESS beacon
4
IR59704403
GROMMET
5
IR96702659
BOLT
6
IR96712898
WASHER Was IR96741038 - A
7
IR96705744
8
IR96738554
washer
9
IR96704580
LOCKNUT
10
IR59325712
Fuse 10 Amp
11
IR54479381
Switch beacon light
12
IR13223011
BEACON KIT
Выбрано товаров: 0