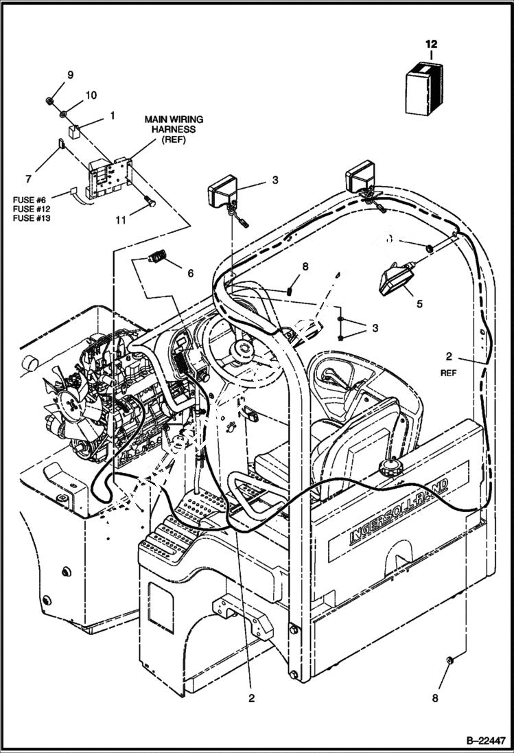
Запчасти Bobcat BCA24 ARCH ROPS WORKLIGHT (Optional) ELECTRICAL SYSTEM

Схема запчастей Bobcat BCA24 - ARCH ROPS WORKLIGHT (Optional) ELECTRICAL SYSTEM
FIT
1:1
100%

Артикул

Название

Примечание

Количество

1

IR58965377

RELAY

2

IR59264689

HARNESS worklight chassis

3

IR59259598

WORKLIGHT ASSY bottom

3

IR58837949

WORK LAMP

3

IR58875543

BULB

3

IR59854943

CONNECTOR

3

IR59854828

MALE PIN

3

IR59854877

CABLE SEAL

4

IR59265777

WORKLIGHT ASSY R.H.

4

IR54525084

WORKLIGHT

4

IR59854943

CONNECTOR

4

IR59854828

MALE PIN

4

IR59854877

CABLE SEAL

5

IR59265793

WORKLIGHT ASSY L.H.

5

IR54525084

WORKLIGHT

5

IR59854943

CONNECTOR

5

IR59854828

MALE PIN

5

IR59854877

CABLE SEAL

6

IR54479373

SWITCH worklight

7

IR59325720

FUSE 25 Amp

8

IR58948035

TYRAP

9

IR96740543

BOLT

10

IR96738596

washer

11

IR96705728

BOLT

12

IR13222997

WORKLIGHT KIT

Выбрано товаров: 25