Качественные детали и логистика
Оригинальные и аналоговые запчасти с доставкой по России, Казахстану и Беларуси
©2022 PartSell ООО "Система" ИНН 2463123282 ОГРН 1212400004838
Центральный офис: г. Красноярск, Академика Киренского, д.87, пом.4
Телефон: 8 (800) 777-65-74 Email: zakaz@partsell.ru
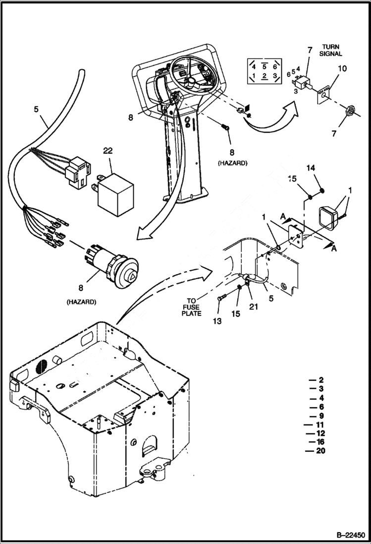
HAZARD/SIGNAL (Optional)
№
Артикул
Название
Примечание
Количество
1
IR14148381
LAMP front
2
IR13929328
LAMP rear
3
IR13250550
BRACKET RH Light
4
IR13250568
BRACKET LH Light
5
IR13289483
HARNESS chasis turn signal
6
IR13282603
HARNESS turn brake marker
7
IR58834086
SWITCH
8
IR13230024
SWITCH hazard/warning
9
IR59704403
GROMMET
10
IR13229638
DECAL turn signal
11
IR96702659
BOLT
12
IR96712898
WASHER Was IR96741038 - A
13
IR96726534
14
IR13236906
NUT
15
IR96738547
washer
16
IR96743653
SCREW
20
IR13250386
LIGHT BULB
21
IR59371922
CLAMP
22
IR13910823
FLASHER UNIT
Выбрано товаров: 0