Запчасти Bobcat BCA24 HYDRAULIC HOSING/TUBE CLAMP HYDRAULIC SYSTEM

Схема запчастей Bobcat BCA24 - HYDRAULIC HOSING/TUBE CLAMP HYDRAULIC SYSTEM
FIT
1:1
100%

Артикул

Название

Примечание

Количество

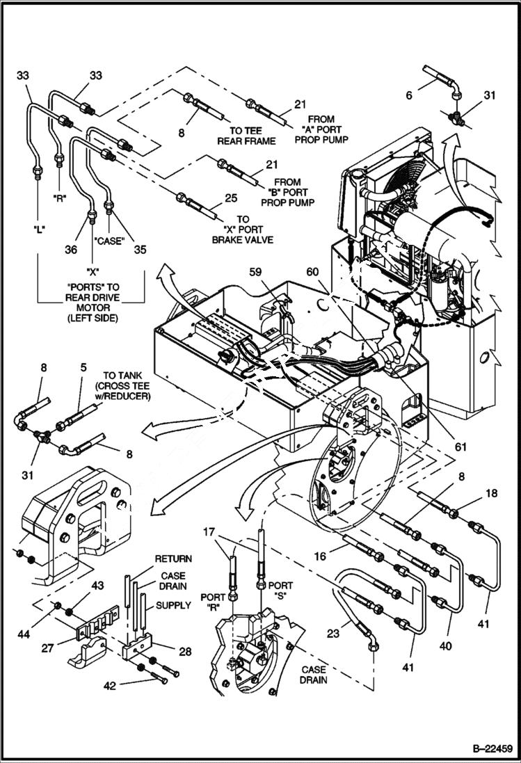
5

IR54496633

HOSE 56.0''

6

IR54484407

HOSE 40.5''

8

IR59219832

HOSE 26.0''

16

IR54499504

HOSE 121.0''

17

IR59219923

HOSE 13.5''

18

IR59219931

HOSE 116.0''

21

IR54537105

HOSE 89.5''

23

IR59219824

HOSE 15.0''

25

IR59219816

HOSE 105.0''

27

IR59229088

TUBE CLAMP

28

IR59229104

TUBE CLAMP

31

IR95703625

TEE

33

IR59229401

TUBELINE

35

IR59229427

TUBELINE

36

IR13199724

TUBELINE

40

IR59229377

TUBELINE

41

IR59229369

TUBELINE

42

IR96706809

BOLT

43

IR96741053

WASHER

44

IR96704598

LOCKNUT

59

IR58786609

WIRE TIE

60

IR59272179

HOSE GUARD

61

IR95325916

HOSE CLAMP

Выбрано товаров: 23