Качественные детали и логистика
Оригинальные и аналоговые запчасти с доставкой по России, Казахстану и Беларуси
©2022 PartSell ООО "Система" ИНН 2463123282 ОГРН 1212400004838
Центральный офис: г. Красноярск, Академика Киренского, д.87, пом.4
Телефон: 8 (800) 777-65-74 Email: zakaz@partsell.ru
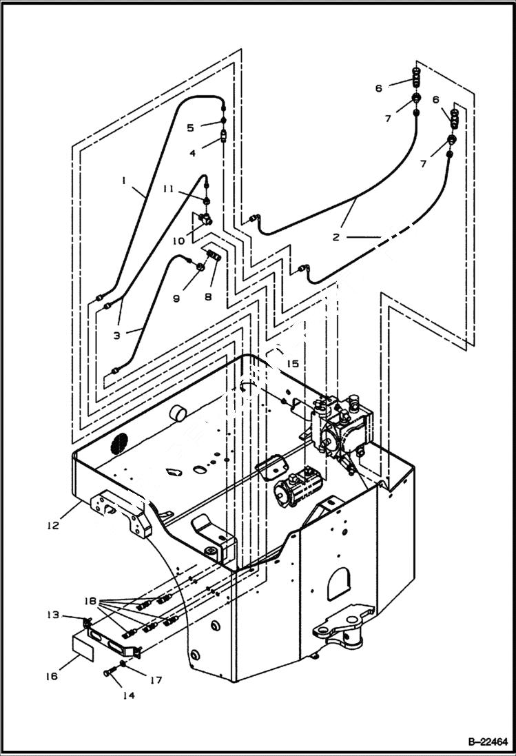
HYDRAULIC TEST PORT
№
Артикул
Название
Примечание
Количество
1
IR13161146
HOSE Charge
2
IR13161112
HOSE A & B Port
3
IR13161161
HOSE Vibration/Steering
4
IR95415667
SWIVEL TEE
5
IR59742890
REDUCER
6
IR59923805
ADAPTER
7
IR59378620
8
IR95447645
TEE
9
IR54666409
10
IR95416731
TEE SWIVEL
11
IR59709162
12
IR13161385
FRAME W/Test Ports
13
IR13161047
TEST COVER
14
IR96705587
BOLT
IR96702659
15
IR96704606
NUT
16
IR13164298
DECAL Test Port
17
IR96712898
WASHER Was IR96741038 - A
18
IR13161294
FITTING
Выбрано товаров: 0