Качественные детали и логистика
Оригинальные и аналоговые запчасти с доставкой по России, Казахстану и Беларуси
©2022 PartSell ООО "Система" ИНН 2463123282 ОГРН 1212400004838
Центральный офис: г. Красноярск, Академика Киренского, д.87, пом.4
Телефон: 8 (800) 777-65-74 Email: zakaz@partsell.ru
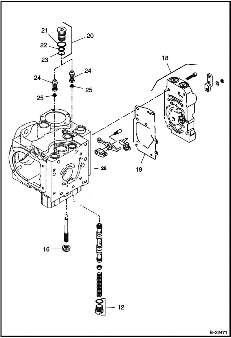
PROPULSION PUMP
№
Артикул
Название
Примечание
Количество
12
IR59146100
PLUG
16
IR59051466
SEAL NUT
18
IR590551474
CONTROL ASSEMBLY
19
IR59142026
GASKET control handle
20
IR54492525
BYPASS VALVE assembly
21
IR59360610
O-RING
22
IR59986448
O-RING back-up
23
IR59051680
24
IR54492533
SCR VALVE
25
IR54492541
SPRING
26
IR54665070
PUMP propulsion - complete - Was IR59270132 - A
Выбрано товаров: 0