Качественные детали и логистика
Оригинальные и аналоговые запчасти с доставкой по России, Казахстану и Беларуси
©2022 PartSell ООО "Система" ИНН 2463123282 ОГРН 1212400004838
Центральный офис: г. Красноярск, Академика Киренского, д.87, пом.4
Телефон: 8 (800) 777-65-74 Email: zakaz@partsell.ru
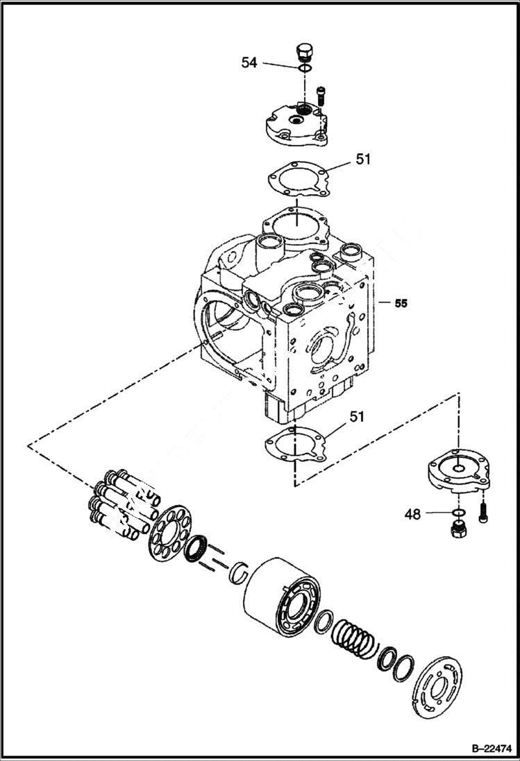
PROPULSION PUMP
№
Артикул
Название
Примечание
Количество
48
IR58881863
PLUG o-ring
51
IR54492624
GASKET servo cover
54
55
IR54665070
PUMP propulsion - complete - Was IR59270132 - A
Выбрано товаров: 0