Качественные детали и логистика
Оригинальные и аналоговые запчасти с доставкой по России, Казахстану и Беларуси
©2022 PartSell ООО "Система" ИНН 2463123282 ОГРН 1212400004838
Центральный офис: г. Красноярск, Академика Киренского, д.87, пом.4
Телефон: 8 (800) 777-65-74 Email: zakaz@partsell.ru
F-STOP-R CONTROL
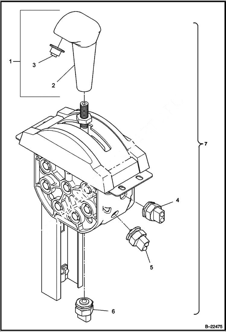
№
Артикул
Название
Примечание
Количество
1
IR54504899
Lever Assy W/Ref. 2 & 3
2
IR59240291
Handle
3
IR59072264
Switch vibration actuation
4
IR59073957
SWITCH auto-vibe
5
SWITCH reverse warning
6
SWITCH neural start
7
IR13316385
F-N-R CONTROL F-STOP-F - complete - Ref. 1-6 - Was IR54564943 - A
Выбрано товаров: 0