Качественные детали и логистика
Оригинальные и аналоговые запчасти с доставкой по России, Казахстану и Беларуси
©2022 PartSell ООО "Система" ИНН 2463123282 ОГРН 1212400004838
Центральный офис: г. Красноярск, Академика Киренского, д.87, пом.4
Телефон: 8 (800) 777-65-74 Email: zakaz@partsell.ru
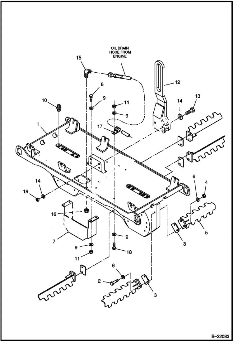
MAIN FRAME
№
Артикул
Название
Примечание
Количество
1
IR13154331
2
IR96714779
BOLT
3
IR58927955
SHIM
4
IR96702881
NUT
5
IR13171293
SCRAPER ASSY inner
IR13171319
SCRAPER inner - For 24'' drum - optional
6
IR59565036
WASHER
7
IR58954579
MOTOR GUARD
8
IR96702261
SCREW
9
IR96712898
WASHER Was IR96741038 - A
10
IR59919670
ADAPTER straight
11
IR96704606
12
IR59289199
LIFTING HOOK
13
IR96705504
14
IR96738612
washer
15
IR95278966
ADAPTER
16
IR95257325
NUT tube cap
17
IR95654208
CLAMP
18
IR96705587
19
IR96704630
STOP NUT
Выбрано товаров: 0