Запчасти Bobcat BCT13 ENGINE ASSEMBLY POWER UNIT

Схема запчастей Bobcat BCT13 - ENGINE ASSEMBLY POWER UNIT
FIT
1:1
100%

Артикул

Название

Примечание

Количество

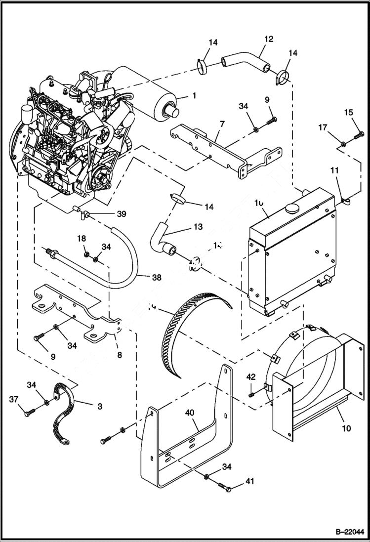
1

IR59254045

ENGINE

1

IR54647680

OIL, FILTER Was IR54477096 - A

1

IR13248497

ELEMENT, FUEL Was IR36791929 - D

1

IR54477161

PRE-FUEL FILTER in-line

1

IR54501671

FAN BELT

1

IR54651013

COOLING FAN

1

IR13053818

KIT, ALTERNATOR Was IR54501663 - A

1

IR43830751

STARTER Was IR54501655 - A

1

IR54515275

MUFFLER

1

IR54646146

GASKET muffler - Was IR00361006 - A

1

IR54646906

RESERVE TANK

3

IR59270645

GROUND CABLE

7

IR13154018

ENGINE MOUNT L.H.

8

IR13154026

ENGINE MOUNT R.H.

9

IR96702360

BOLT

10

IR59289132

SHROUD ASSY radiator

10

IR59289116

RADIATOR

10

IR54602081

RADIATOR CAP

10

IR59289124

SHROUD radiator

11

IR95301842

CLAMP

12

IR59254417

HOSE upper radiator

13

IR59254409

HOSE lower radiator

14

IR95302675

CLAMP hose

15

IR96702659

BOLT

17

IR96712898

WASHER Was IR96741038 - A

18

IR96712807

LOCKNUT Was IR96704614 - A

19

IR59289272

FAN GUARD

34

IR96714308

WASHER Was IR96741046 - A

37

IR96739776

BOLT

38

IR54511233

OIL DRAIN HOSE

39

IR95671285

HOSE CLAMP

40

IR59289249

SUPPORT radiator

41

IR96705124

SCREW

42

IR96740485

SET SCREW

Выбрано товаров: 34