Запчасти Bobcat BCT13 ELECTRONICS INSTALLATION (S/N 491511080 & Above) ELECTRICAL SYSTEM

Схема запчастей Bobcat BCT13 - ELECTRONICS INSTALLATION (S/N 491511080 & Above) ELECTRICAL SYSTEM
FIT
1:1
100%

Артикул

Название

Примечание

Количество

1

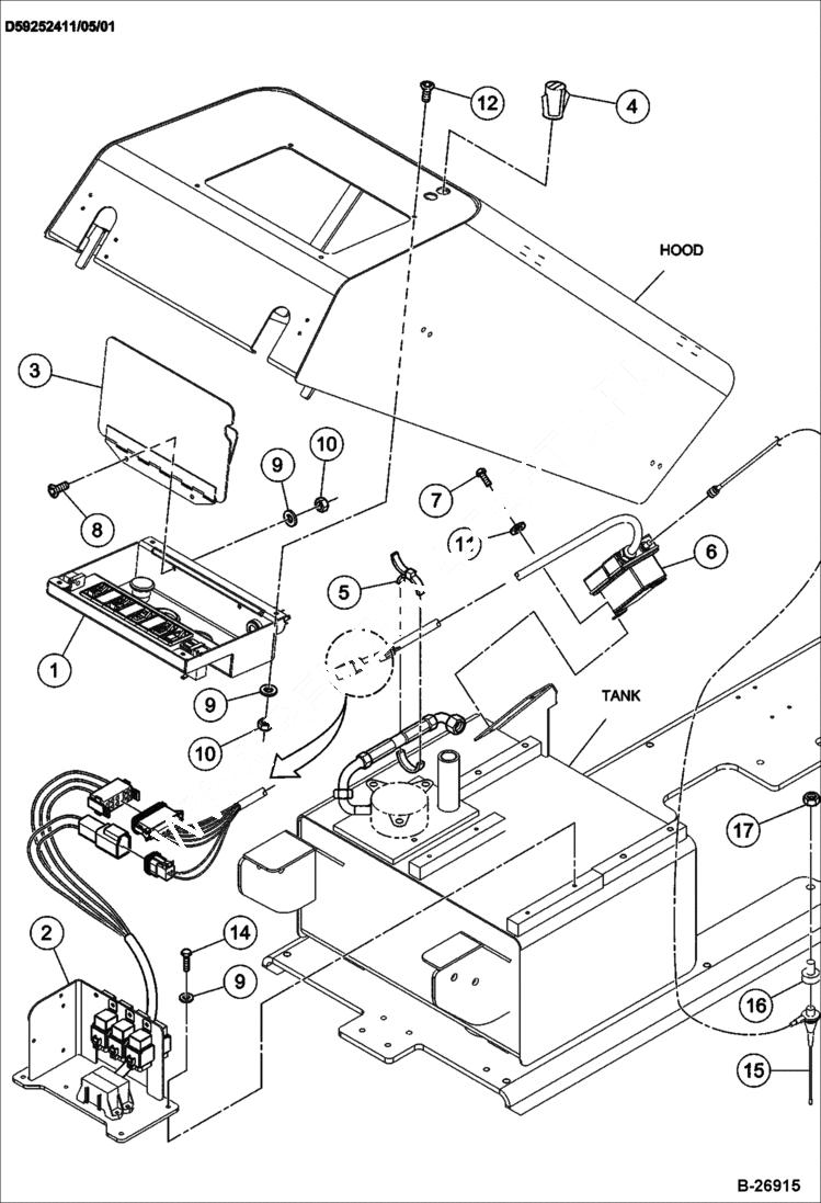
CONTROL PANEL See Illustration CONTROL PANEL ASSY/ B22048 - assembly

2

FUSE/RELAY ASSY See Illustration FUSE/RELAY ASSY/ B22050

3

IR13154125

COVER control panel

4

IR58894221

MAGNETIC CATCH

5

IR95373973

TIE STRAP wire

6

IR13385828

CONTROLLER radio

6

IR13525324

STRAP neck - radio controller

6

IR13525332

STRAP wrist - radio controller

6

KIT NSS - joystick radio control - optional

6

IR13385836

KIT radio joystick

6

IR13525340

STRAP tear-away shoulder

6

IR13385117

DECAL remote operation

6

IR59862938

POUCH

6

IR95424586

Wire Tie

7

IR96702816

BOLT

8

IR96718689

BOLT

9

IR96741053

WASHER

10

IR96704598

LOCKNUT

11

IR96712898

WASHER Was IR96741038 - A

12

IR96740931

SCREW

14

IR96701958

BOLT

15

IR13462627

HARNESS radio controller wire

16

This item not used with this assembly

17

This item not used with this assembly

Выбрано товаров: 24