Запчасти Bobcat BCT13 ELECTRONICS INSTALLATION (S/N 491511079 & Below) ELECTRICAL SYSTEM

Схема запчастей Bobcat BCT13 - ELECTRONICS INSTALLATION (S/N 491511079 & Below) ELECTRICAL SYSTEM
FIT
1:1
100%

Артикул

Название

Примечание

Количество

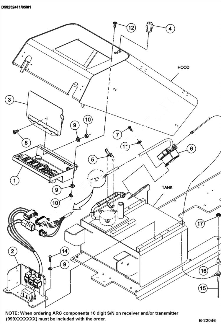
1

CONTROL PANEL See Illustration CONTROL PANEL ASSY/ B22048 - assembly

2

FUSE/RELAY ASSY See Illustration FUSE/RELAY ASSY/ B22050

3

IR13154125

COVER control panel

4

IR58894221

MAGNETIC CATCH

5

IR95373973

TIE STRAP wire

6

REMOTE CNTRL NLA - kit (NBD) - Order IR13395264 (joystick style - Omnex) or IR13385810 (TV type remote - Omnex) - Was IR13172465 - A

6

KEY NLA - Was IR13219423 - A

6

COVER NLA - vinyl - Was IR13219464 - A

6

TRANSMITTER NLA - Was IR59289157 - A

6

TRANSMITTER NLA - ARC - Was IR13248547 - A

6

TRANSMITTER NLA - joystick - optional - Was IR59289355 - A

6

ARC TRANSMITTER NLA - Was IR13248562 - A

6

RECEIVER NLA - Was IR59289140 - A

6

ARC RECEIVER NLA - Was IR13248554 - A

6

BATTERY NLA - rechargeable - Was IR59289165 - A

6

ANTENNA NLA - Was IR59289363 - A

6

CHARGER NLA - battery (110V AC) - Was IR59289389 - A

6

KIT NLA - joystick radio control - optional

6

KIT NLA - joystick - Was IR13172473 - A

6

TRANSMITTER NLA - remote radio - Was IR13171160 - A

6

RECEIVER NLA - radio - Was IR13172481 - A

6

BATTERY NLA - rechargeable - Was IR59289165 - A

6

CHARGER NLA - battery (110V DC) - Was IR59289389 - A

6

DECAL NLA - remote operation - Was IR13171145 - A

6

POUCH NLA - Was IR59862938 - A

6

WIRE TIE NLA - Was IR95424586 - A

6

IR13502802

TRANSMITTER REMOTE For Use W/Omnex TV type remote

6

REMOTE NSS - Uses 4AA batteries

7

IR96702816

BOLT

8

IR96718689

BOLT

9

IR96741053

WASHER

10

IR96704598

LOCKNUT

11

IR96712898

WASHER Was IR96741038 - A

12

IR96740931

SCREW

14

IR96701958

BOLT

15

IR13170824

ANTENNA

16

IR13170840

ADAPTER antenna

17

IR96704622

NUT

Выбрано товаров: 38